Жгут проводов 385-10152791 Komatsu
Жгут проводов 385-10152791 Komatsu
Москва
3

Цена по договоренности
Под заказ 1 шт
Следить за ценой
+7 (925) 605-90-46
Склад - Caterpillar
0.0
0 отзывов
- Описание
- Характеристики
- Совместимость
- Файлы и документы
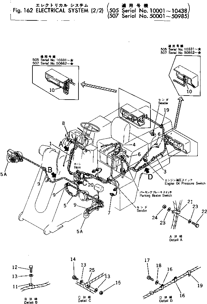
Жгуты проводов и кабельные сборки передают сигналы и питание между электронными системами машины. Они обладают повышенной износостойкостью и защищены от влаги, вибраций и механических повреждений.
Номер на схеме: 4
Номер на схеме: 4
Состояние
Новый
Общие данные
Номер по каталогу
385-10152791
Производитель
Komatsu
Совместимые модели
Бренд техники: Komatsu
Колёсный погрузчик
505-1, 507-1
Нет документов







