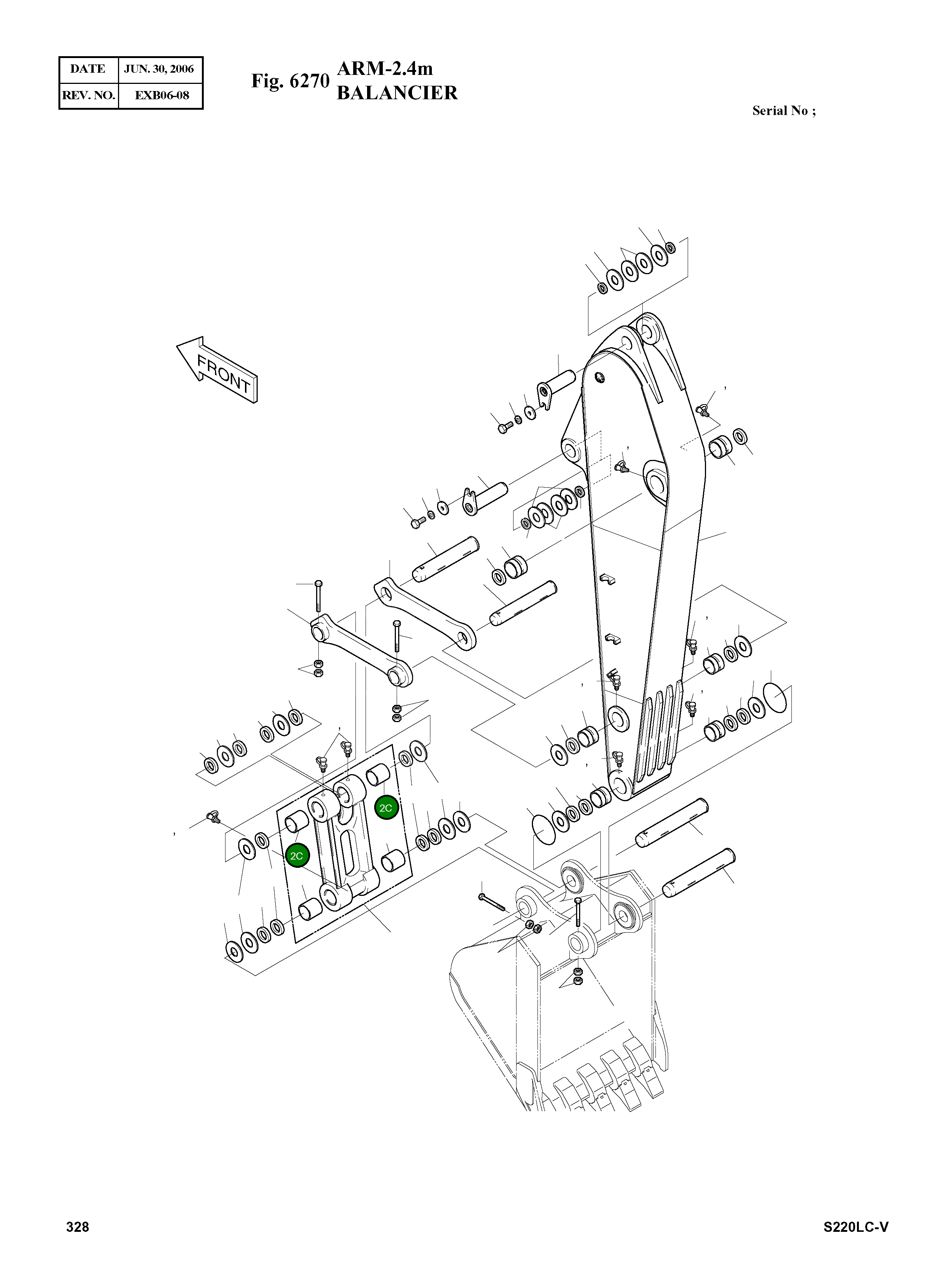
Втулка 2110-1360 Komatsu
Москва
3

- Описание
- Характеристики
- Совместимость
- Файлы и документы
Подшипники и втулки обеспечивают скольжение и вращение деталей с минимальным трением. Они повышают надежность и срок службы узлов техники.
Номер на схеме: 2C
Номер на схеме: 2C
Состояние
Новый
Общие данные
Номер по каталогу
2110-1360
Производитель
Komatsu
Совместимые модели
Бренд техники: Doosan
Экскаватор
SOLAR 220LC-V
Нет документов








