Втулка 2110-1027D34 Komatsu

Москва
3
Втулка 2110-1027D34 Komatsu
Цена по договоренности
Под заказ 1 шт
+7 (925) 605-90-46
Склад - Caterpillar
0.0
  • Описание
  • Характеристики
  • Совместимость
  • Файлы и документы
Подшипники и втулки обеспечивают скольжение и вращение деталей с минимальным трением. Они повышают надежность и срок службы узлов техники.

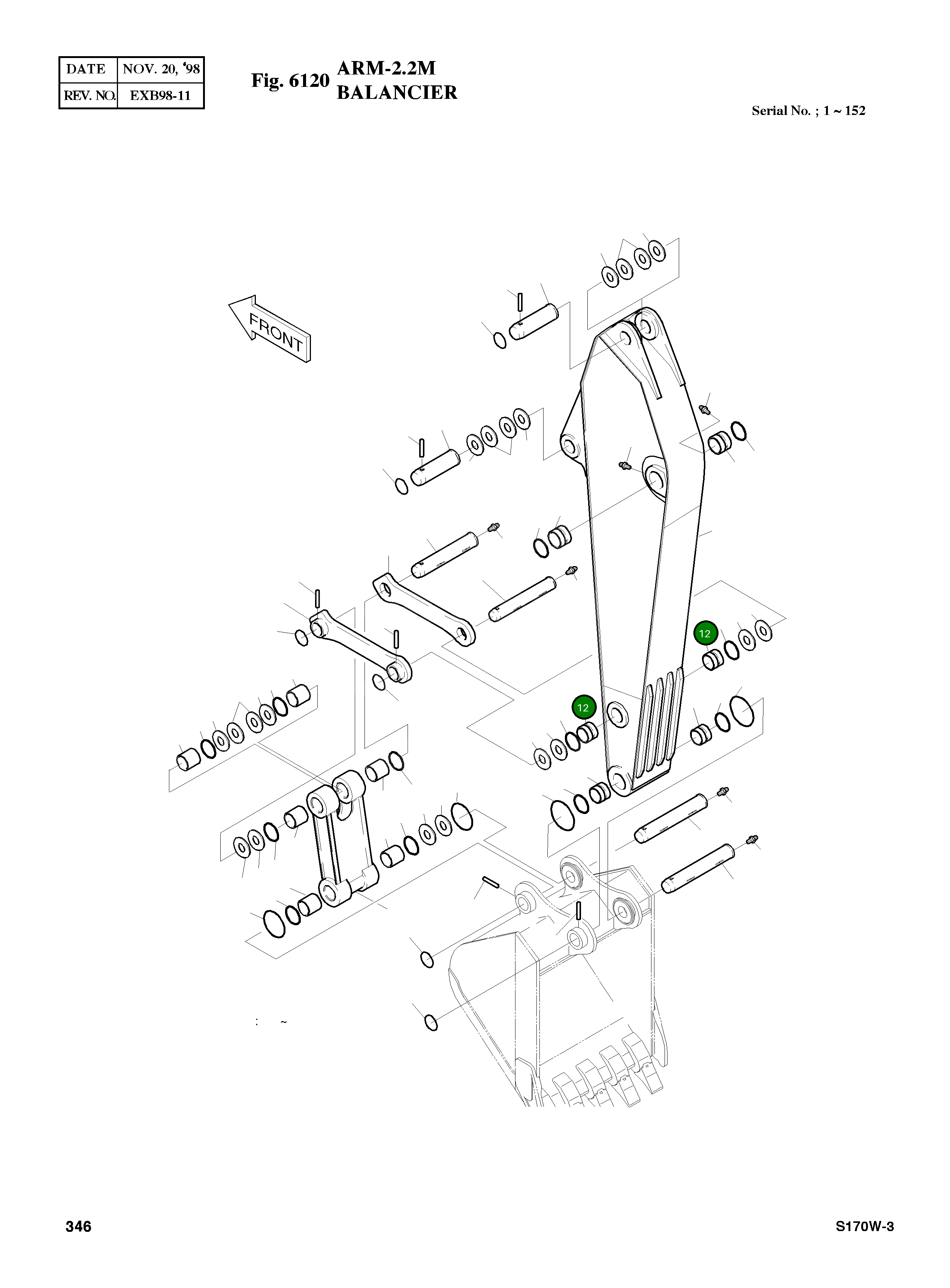
Номер на схеме: 12

Состояние

Новый

Общие данные

Номер по каталогу

2110-1027D34

Производитель

Komatsu
Совместимые модели
Бренд техники: Doosan
Экскаватор
SOLAR 170W-III

Нет документов