Вал 4112-4012 Komatsu
Москва
1
18 декабря 2025

- Описание
- Характеристики
- Файлы и документы
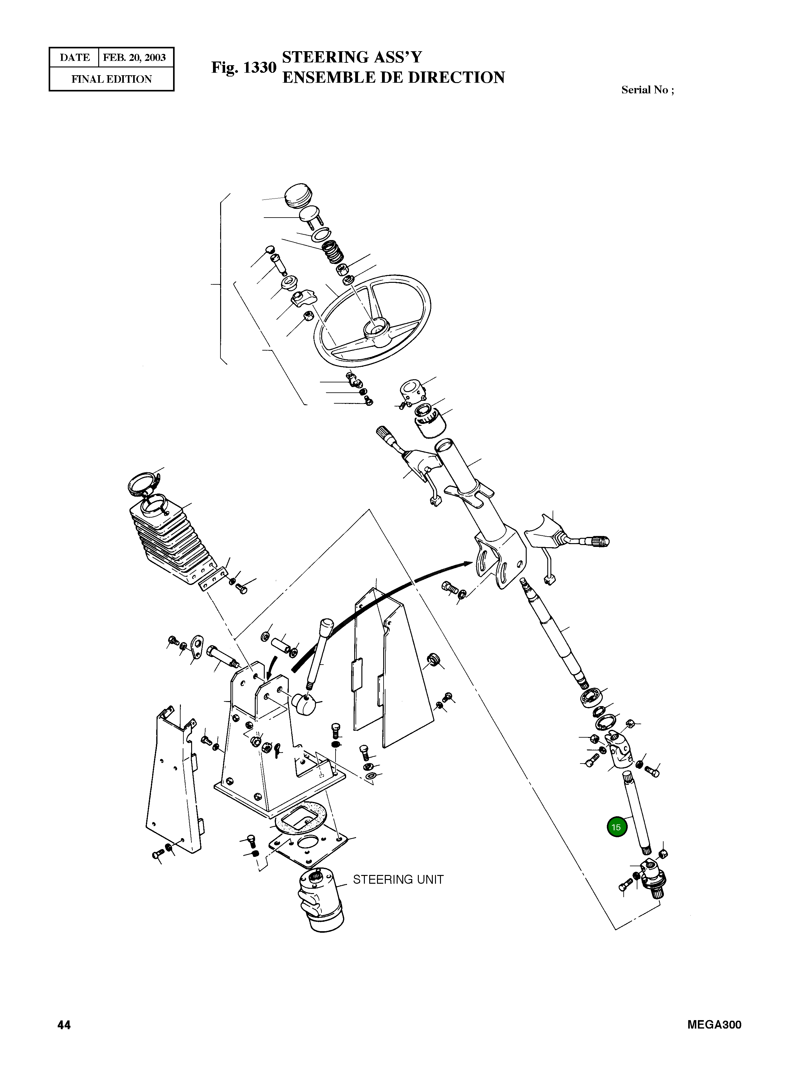
Валы ходовой части обеспечивают передачу нагрузки и движение между элементами трансмиссии и колесной системой. Они отличаются высокой прочностью и устойчивостью к торсионным нагрузкам.
Номер на схеме: 15
Номер на схеме: 15
Состояние
Новый
Применяемость
Бренд техники
Komatsu
Модель техники
MEGA300, MEGA 400-III PLUS, MEGA 300-III, MEGA 250-III, MEGA 200TC-III, MEGA 200-III
Нет документов













