Упорный шарик 1.148-00016 Komatsu
Упорный шарик 1.148-00016 Komatsu
Москва
3

Цена по договоренности
Под заказ 1 шт
Следить за ценой
+7 (925) 605-90-46
Склад - Caterpillar
0.0
0 отзывов
- Описание
- Характеристики
- Совместимость
- Файлы и документы
Прочие вращающиеся компоненты ходовой части обеспечивают плавное и эффективное движение техники. Они изготавливаются из износостойких материалов для длительного срока службы. Надежность этих деталей снижает вероятность поломок и аварийных ситуаций.
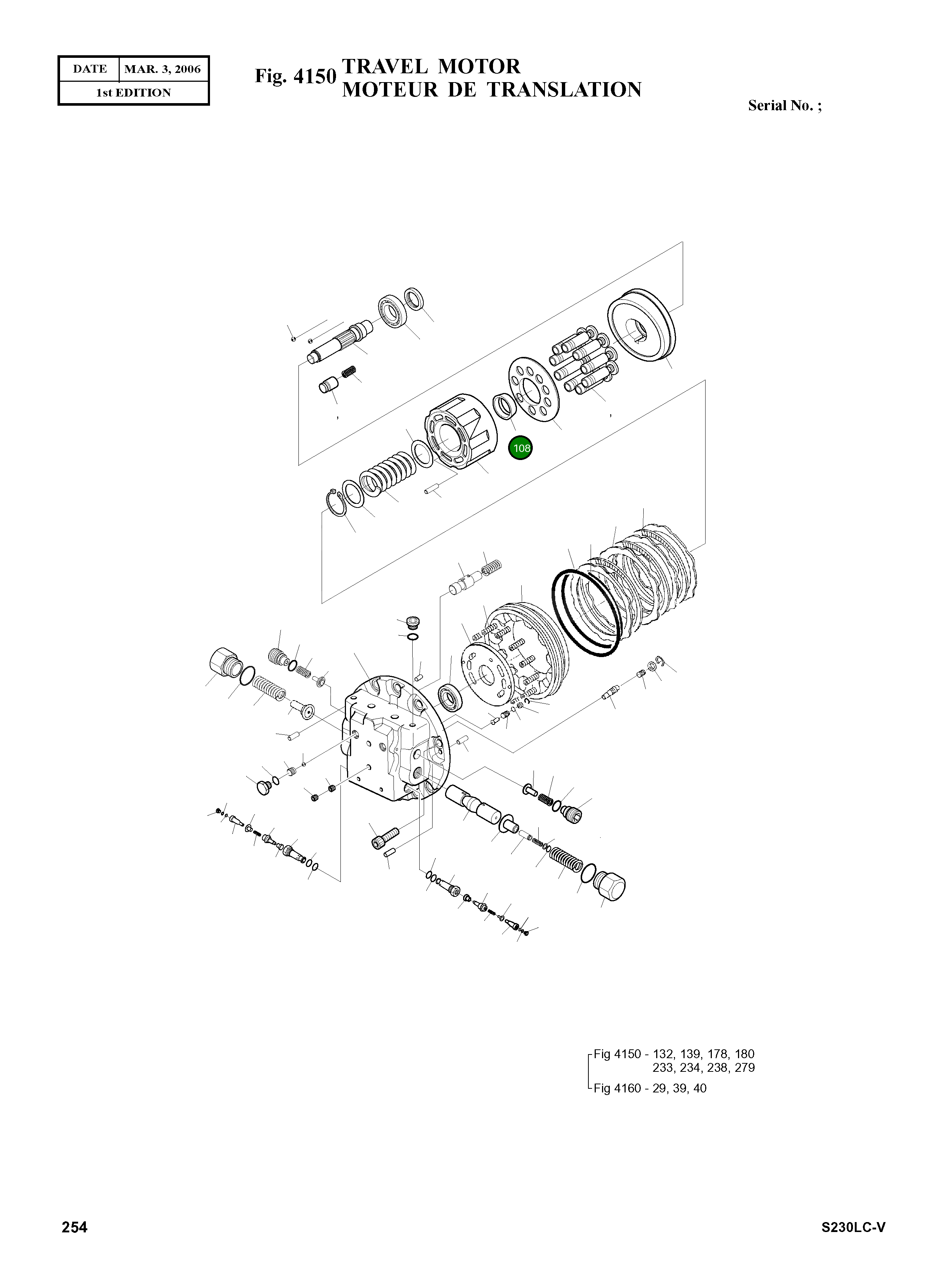
Номер на схеме: 108
Номер на схеме: 108
Состояние
Новый
Общие данные
Номер по каталогу
1.148-00016
Производитель
Komatsu
Совместимые модели
Бренд техники: Doosan
Экскаватор
SOLAR 230LC-V, SOLAR 225LL, SOLAR 225LC-V - DIEU, SOLAR 225LC-V, SOLAR 220LL, SOLAR 220LC-V, SOLAR 220LC-6, DX255LC, DX225NLC, DX225LC
Нет документов















