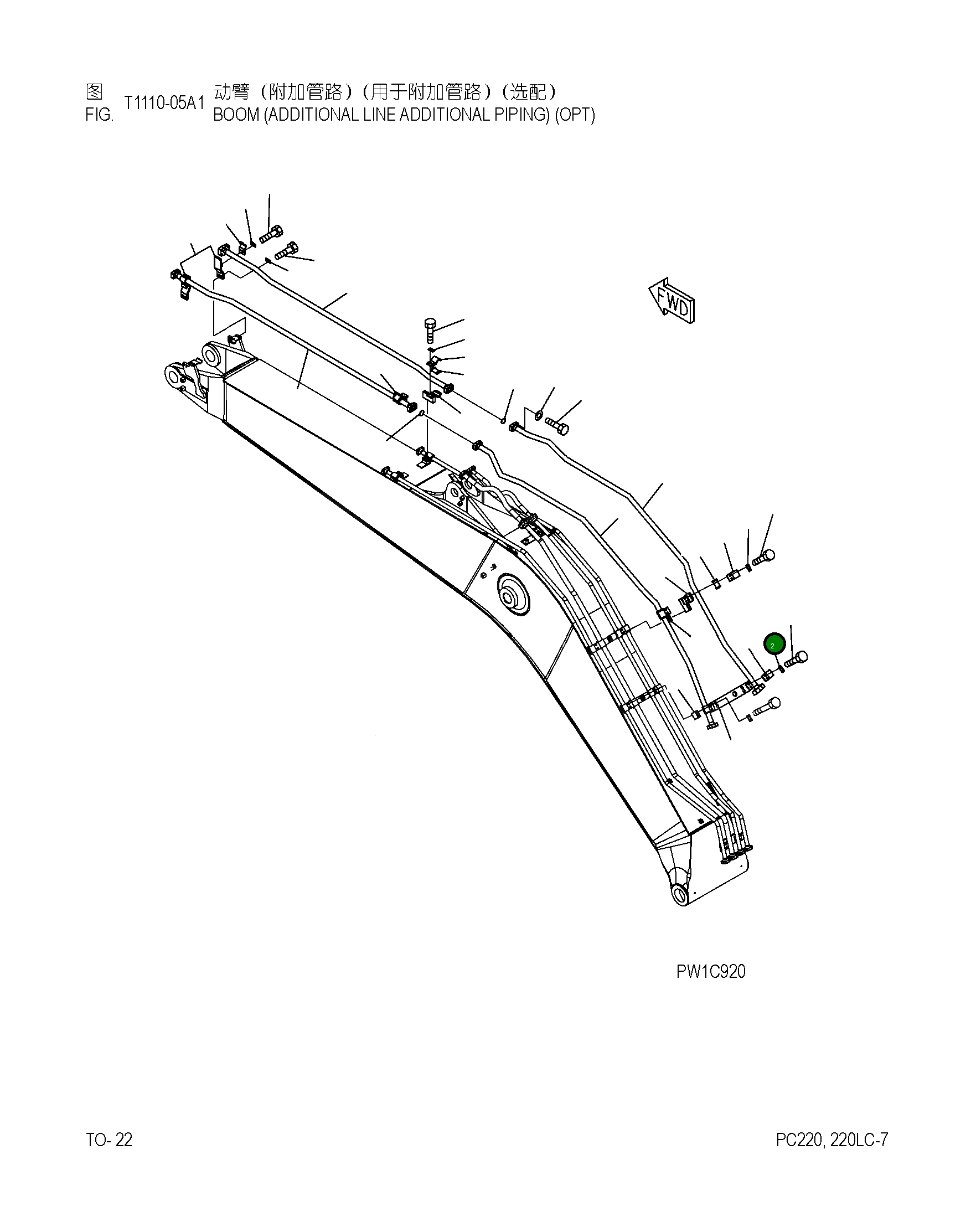
Трубка 206-62-73180 Komatsu
Москва
2

Цена по договоренности
Под заказ 1 шт
Следить за ценой
+7 (925) 605-90-46
Склад - Caterpillar
0.0
0 отзывов
- Описание
- Характеристики
- Совместимость
- Файлы и документы
Шланги обеспечивают надежную подачу жидкости и воздуха в системах техники. Они изготовлены из устойчивых к износу и давлению материалов. Надежность снижает риск утечек и аварий.
Номер на схеме: 2
Номер на схеме: 2
Состояние
Новый
Общие данные
Номер по каталогу
206-62-73180
Производитель
Komatsu
Совместимые модели
Бренд техники: Komatsu
Экскаватор
PC220-7, PC210-7K, PC220LC-7-BA, PC220LC-7, PC220-7-AA, PC210NLC-7K, PC210LC-7K, PC230LC-7-BA, PC230-7-CG, PC230-7-AA, PC270LL-7L, PC270LC-7L, PC270-7-AG, PC270-7, PC240NLC-7K, PC240LC-7K, PC230LC-7-DG, PC290NLC-7K, PC290LC-7K
Нет документов








