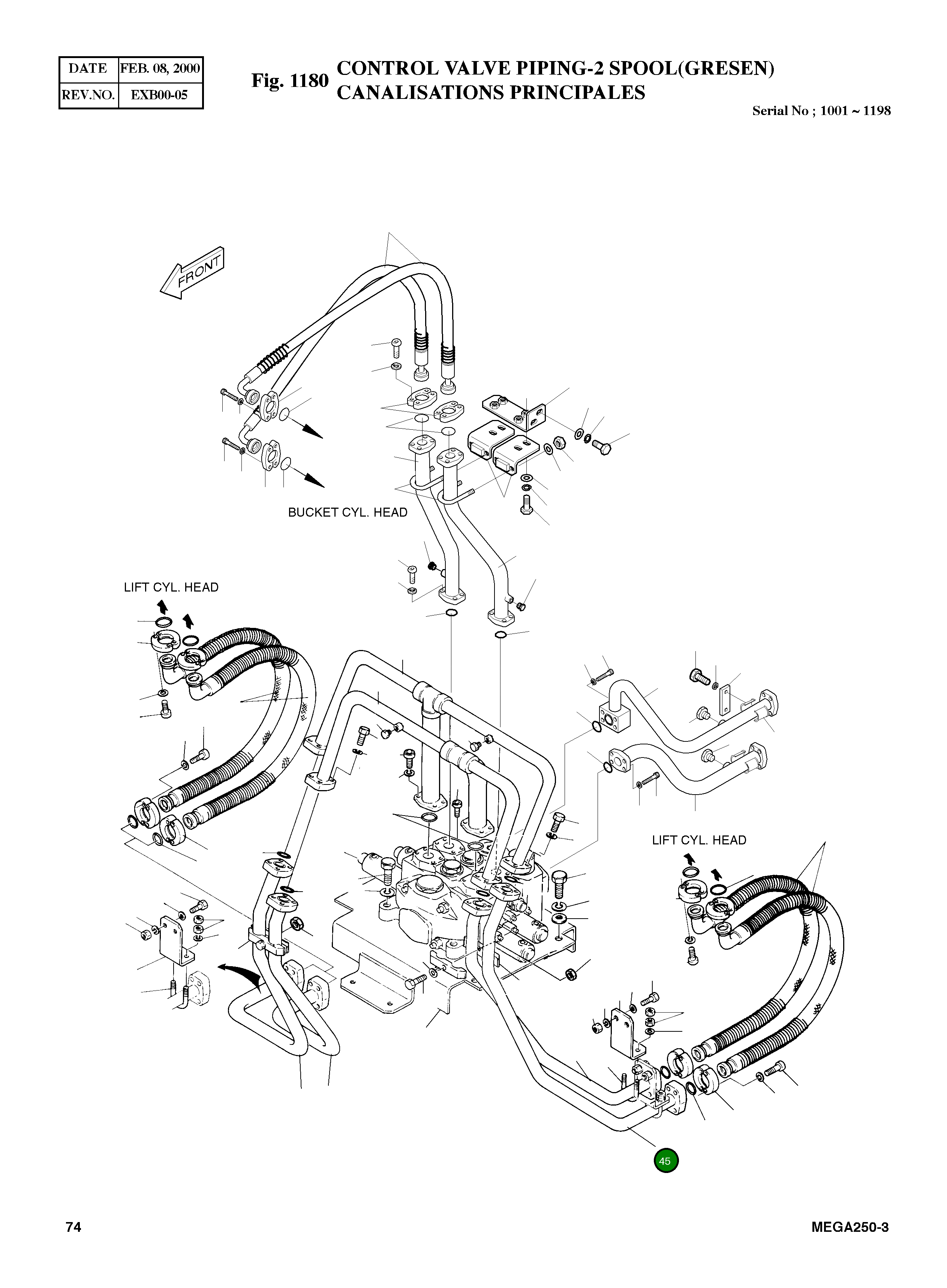
Труба 4182-1594A Komatsu
Москва
4

- Описание
- Характеристики
- Совместимость
- Файлы и документы
Каналы и трубы обеспечивают надежную транспортировку жидкостей, газов и других сред внутри систем машины. Они отличаются прочностью, устойчивостью к износу и соответствием требованиям тяжелых эксплуатационных условий.
Номер на схеме: 45
Номер на схеме: 45
Состояние
Новый
Общие данные
Номер по каталогу
4182-1594A
Производитель
Komatsu
Совместимые модели
Бренд техники: Doosan
Колёсный погрузчик
MEGA 250-III
Нет документов





