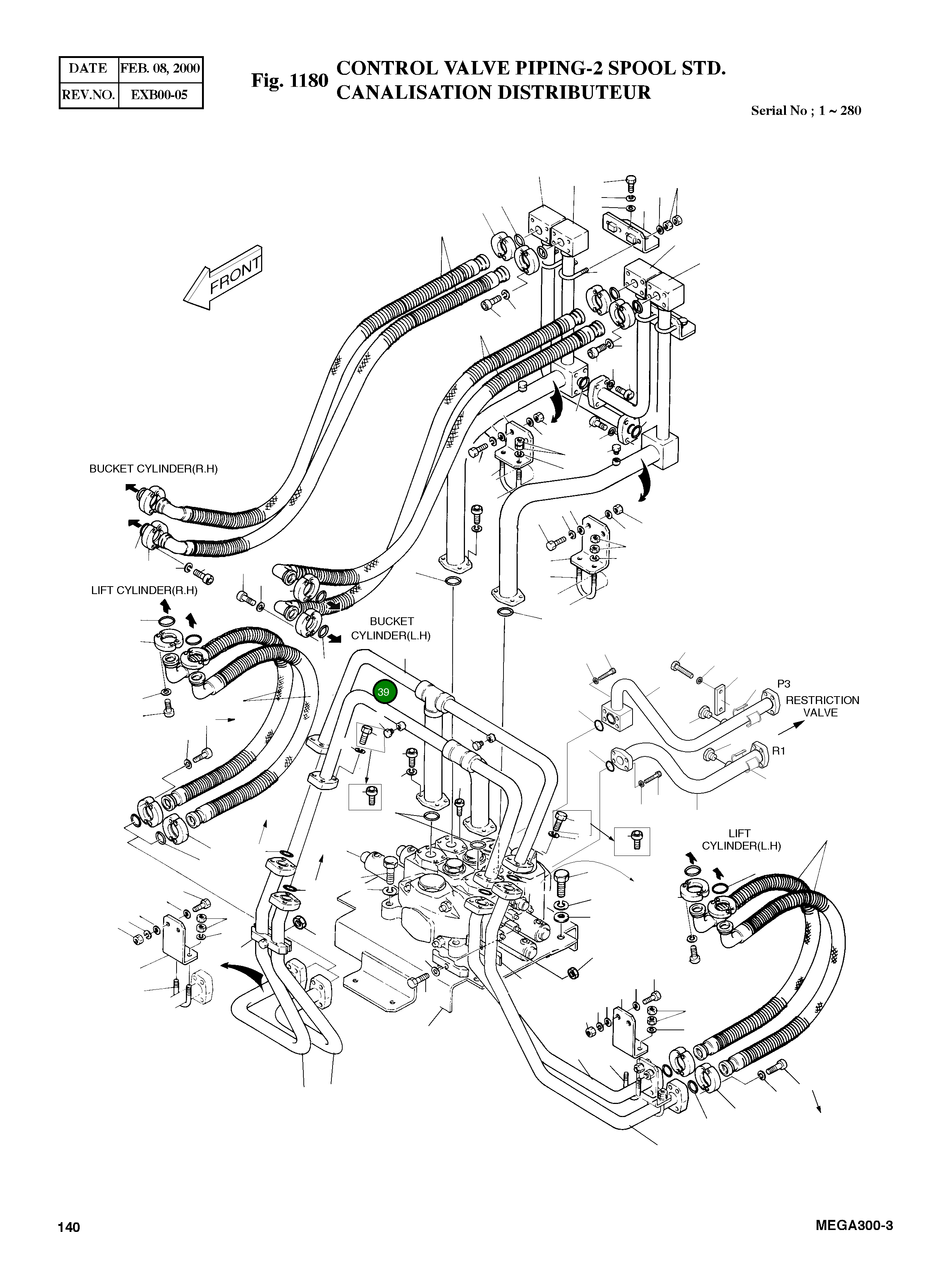
Труба 4182-1557 Komatsu
Москва
7

Цена по договоренности
Под заказ 1 шт
Следить за ценой
+7 (925) 605-90-46
Склад - Caterpillar
0.0
0 отзывов
- Описание
- Характеристики
- Совместимость
- Файлы и документы
Каналы и трубы обеспечивают надежную транспортировку жидкостей, газов и других сред внутри систем машины. Они отличаются прочностью, устойчивостью к износу и соответствием требованиям тяжелых эксплуатационных условий.
Номер на схеме: 39
Номер на схеме: 39
Состояние
Новый
Общие данные
Номер по каталогу
4182-1557
Производитель
Komatsu
Совместимые модели
Бренд техники: Doosan
Колёсный погрузчик
MEGA 300-III
Нет документов






