Труба 2183-3474 Komatsu
Москва
2

Цена по договоренности
Под заказ 1 шт
Следить за ценой
+7 (925) 605-90-46
Склад - Caterpillar
0.0
0 отзывов
- Описание
- Характеристики
- Совместимость
- Файлы и документы
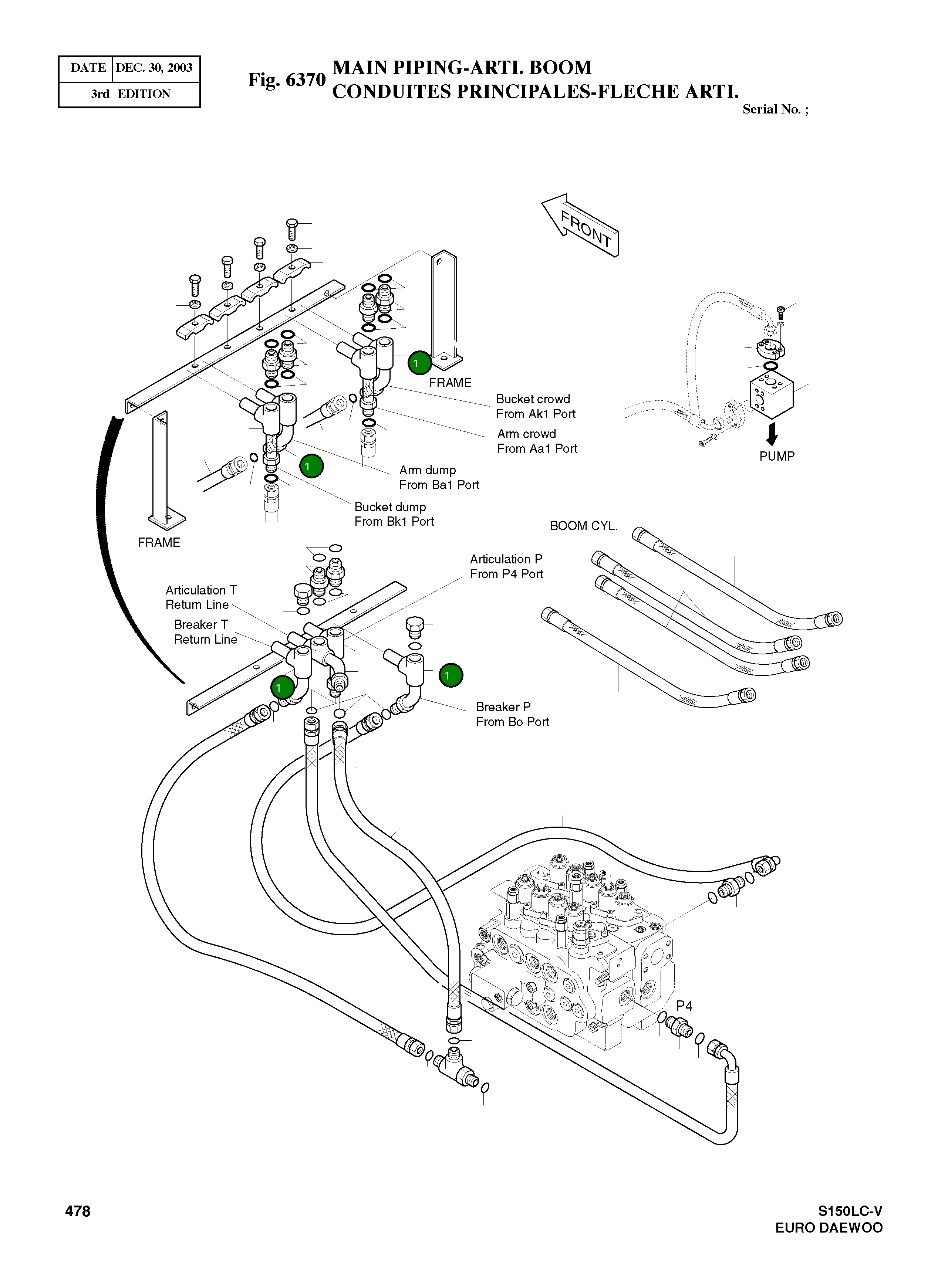
Каналы и трубы обеспечивают надежную транспортировку жидкостей, газов и других сред внутри систем машины. Они отличаются прочностью, устойчивостью к износу и соответствием требованиям тяжелых эксплуатационных условий.
Номер на схеме: 1
Номер на схеме: 1
Состояние
Новый
Общие данные
Номер по каталогу
2183-3474
Производитель
Komatsu
Совместимые модели
Бренд техники: Doosan
Экскаватор
SOLAR 150LC-V - DIEU, SOLAR 130W-III, SOLAR 130LC-V - DIEU, SOLAR 130W-V(2), SOLAR 130W-V(1)
Нет документов




