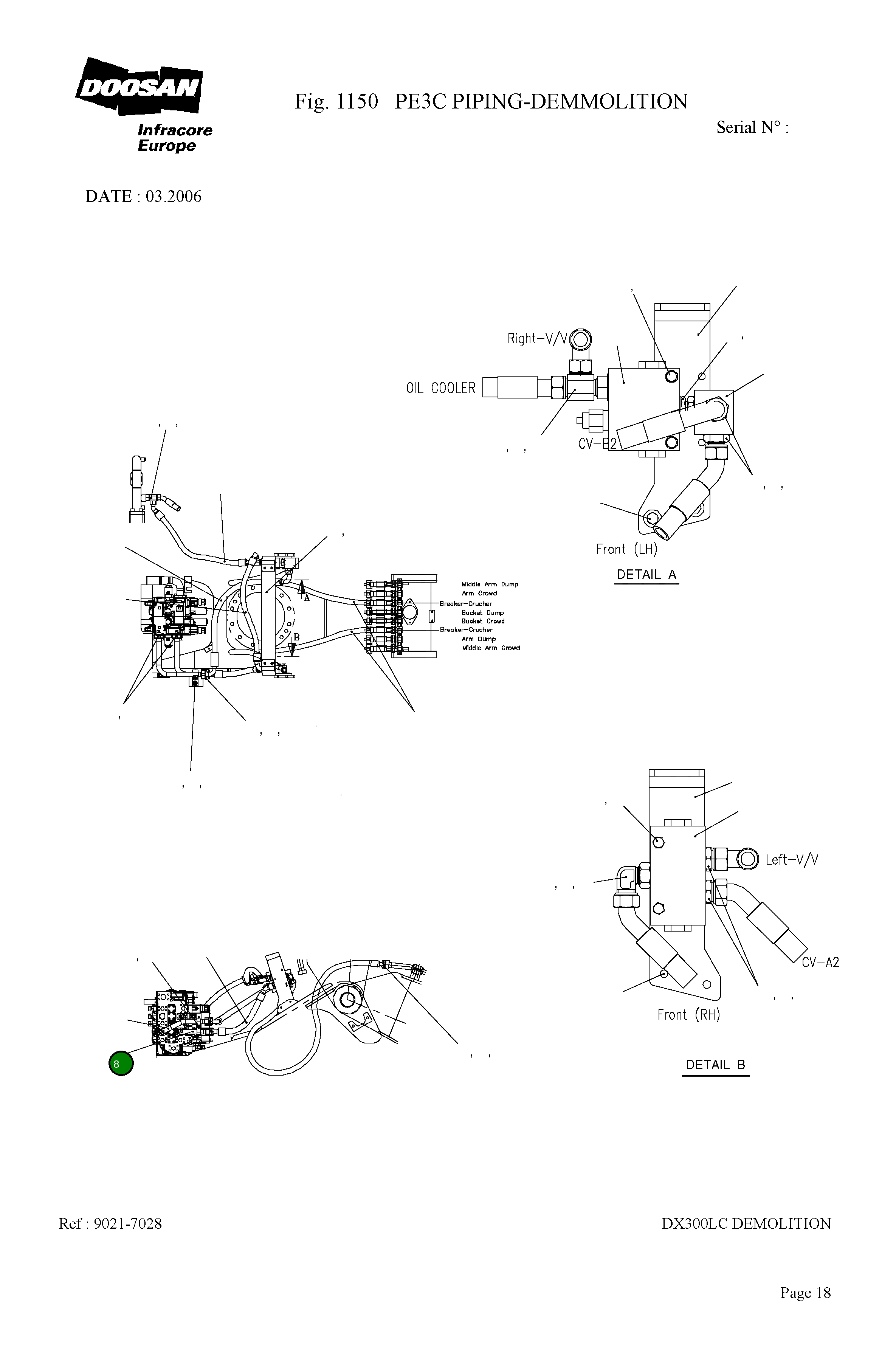
Труба 140-01527B Komatsu
Москва
4

- Описание
- Характеристики
- Совместимость
- Файлы и документы
Каналы и трубы обеспечивают надежную транспортировку жидкостей, газов и других сред внутри систем машины. Они отличаются прочностью, устойчивостью к износу и соответствием требованиям тяжелых эксплуатационных условий.
Номер на схеме: 8
Номер на схеме: 8
Состояние
Новый
Общие данные
Номер по каталогу
140-01527B
Производитель
Komatsu
Совместимые модели
Бренд техники: Doosan
Экскаватор
DX300LC-Demolition, DX300LC
Нет документов










