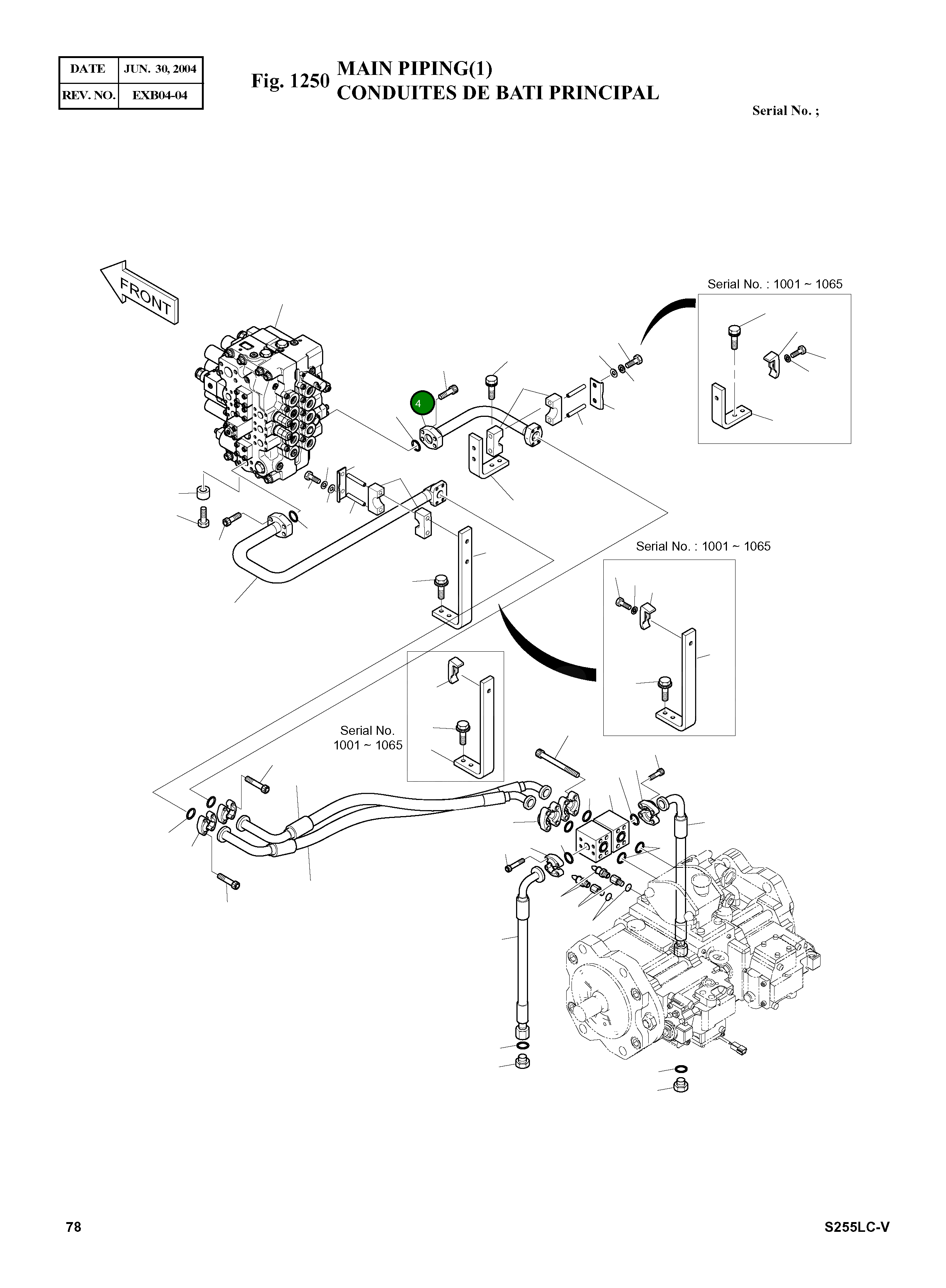
Труба 140-01147 Komatsu
Москва
3

- Описание
- Характеристики
- Совместимость
- Файлы и документы
Каналы и трубы обеспечивают надежную транспортировку жидкостей, газов и других сред внутри систем машины. Они отличаются прочностью, устойчивостью к износу и соответствием требованиям тяжелых эксплуатационных условий.
Номер на схеме: 4
Номер на схеме: 4
Состояние
Новый
Общие данные
Номер по каталогу
140-01147
Производитель
Komatsu
Совместимые модели
Бренд техники: Doosan
Экскаватор
SOLAR 255LC-V - DIEU, SOLAR 255LC-V
Нет документов







