Стрела 209-72-51512 Komatsu

Москва
4
Стрела 209-72-51512 Komatsu
Цена по договоренности
Под заказ 1 шт
+7 (925) 605-90-46
АО ГОРНЫЕ МАШИНЫ - Caterpillar/Komatsu (под заказ)
avatar
0.0
  • Описание
  • Характеристики
  • Совместимость
  • Файлы и документы
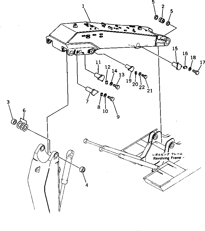
Стрелы для погрузочно-разгрузочных работ предназначены для подъема и перемещения грузов. Они устанавливаются на погрузчики и краны и могут быть телескопическими или жесткими. Стрелы обеспечивают точное позиционирование грузов и безопасность операций. Правильный выбор стрелы зависит от массы и габаритов поднимаемого груза.

Номер на схеме: 1

Состояние

Новый

Общие данные

Номер по каталогу

209-72-51512

Производитель

Komatsu
Совместимые модели
Бренд техники: Komatsu
Экскаватор
PC650-3

Нет документов

Похожие товары

Вы просматривали ранее