Шланг PF1/2-2200L DS2055906 Komatsu
Москва
5

Цена по договоренности
Под заказ 1 шт
Следить за ценой
+7 (925) 605-90-46
Склад - Caterpillar
0.0
0 отзывов
- Описание
- Характеристики
- Совместимость
- Файлы и документы
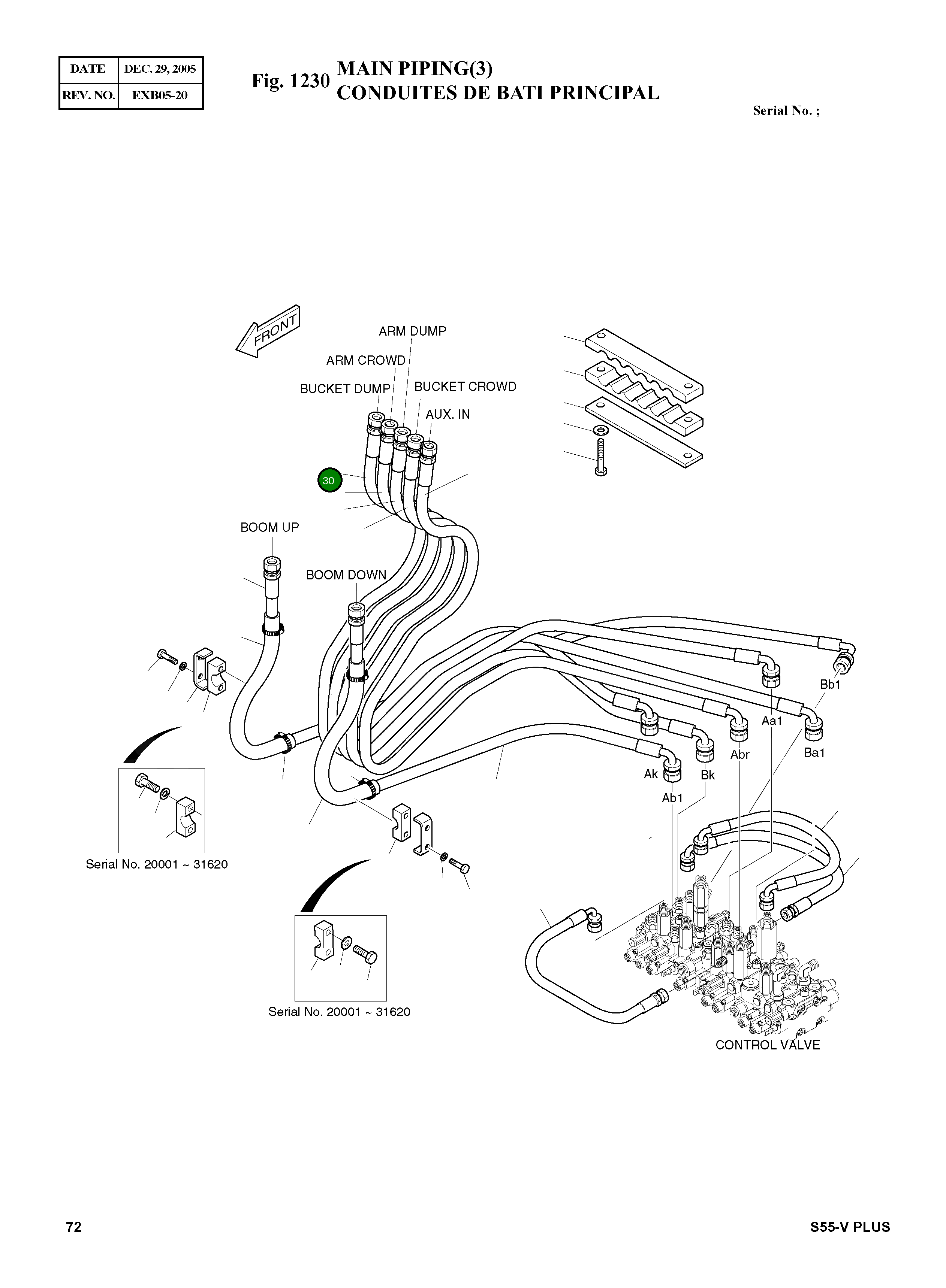
Шланги обеспечивают надежную подачу жидкости и воздуха в системах техники. Они изготовлены из устойчивых к износу и давлению материалов. Надежность снижает риск утечек и аварий.
Номер на схеме: 30
Номер на схеме: 30
Состояние
Новый
Общие данные
Номер по каталогу
DS2055906
Производитель
Komatsu
Совместимые модели
Бренд техники: Doosan
Экскаватор
SOLAR 55-V PLUS
Нет документов








