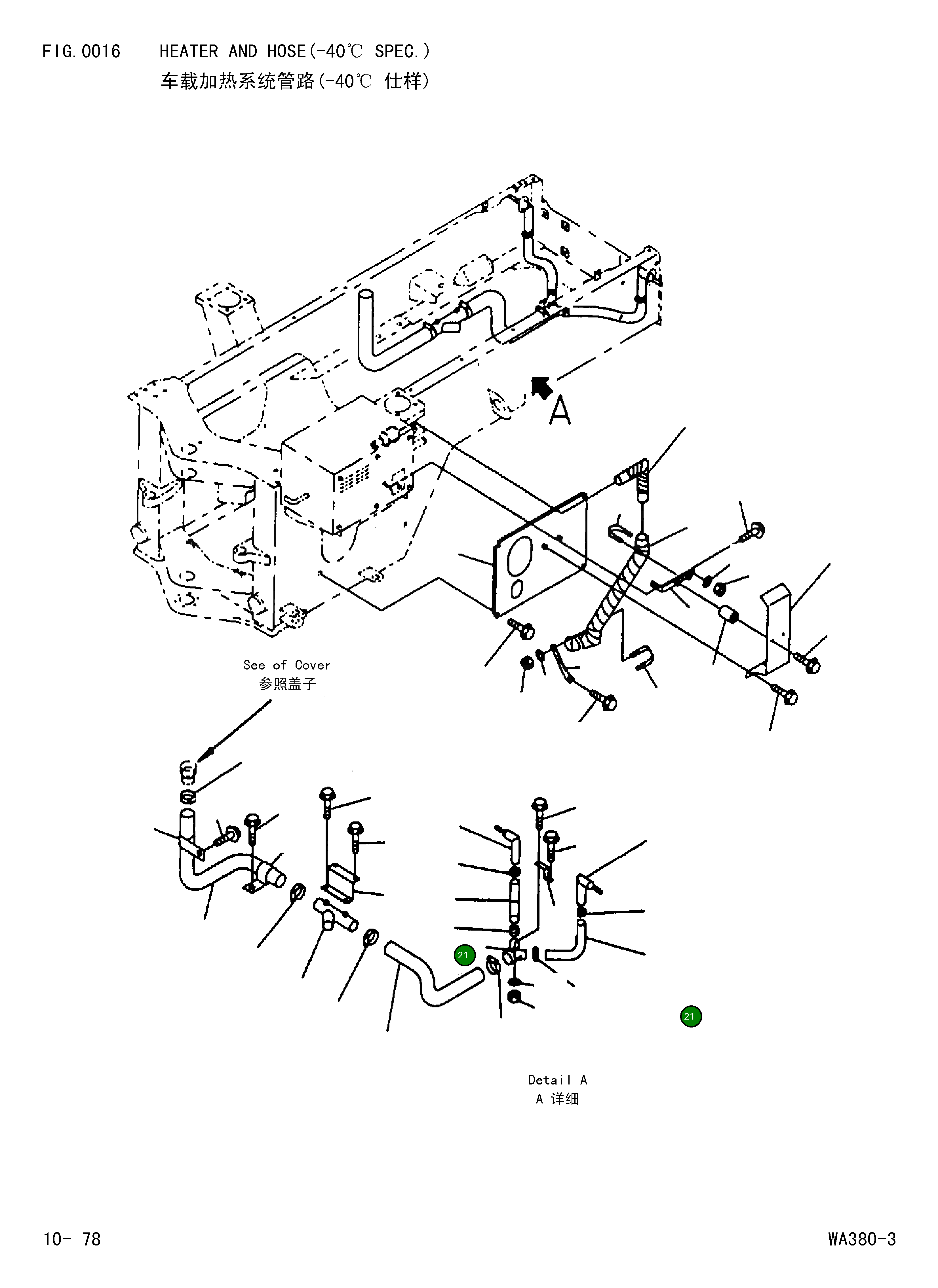
Шланг 424-W93-Z390 Komatsu
Шланги обеспечивают надежную подачу жидкости и воздуха в системах техники. Они изготовлены из устойчивых к износу и давлению материалов. Надежность снижает риск утечек и аварий.
Komatsu — один из мировых лидеров в производстве строительной и карьерной техники, известный надежностью и технологичностью своих решений. Оригинальные запчасти Komatsu обеспечивают точное соответствие требованиям оборудования и гарантируют длительный ресурс работы. Комплектующие проходят строгий контроль качества и идеально подходят для восстановления и обслуживания техники в любых условиях эксплуатации.
Номер на схеме: 21
Komatsu — один из мировых лидеров в производстве строительной и карьерной техники, известный надежностью и технологичностью своих решений. Оригинальные запчасти Komatsu обеспечивают точное соответствие требованиям оборудования и гарантируют длительный ресурс работы. Комплектующие проходят строгий контроль качества и идеально подходят для восстановления и обслуживания техники в любых условиях эксплуатации.
Номер на схеме: 21








