Сильфон 6128-11-5920 Komatsu
Сильфон 6128-11-5920 Komatsu
Москва
2

Цена по договоренности
Под заказ 1 шт
Следить за ценой
+7 (925) 605-90-46
Склад - Caterpillar
0.0
0 отзывов
- Описание
- Характеристики
- Совместимость
- Файлы и документы
Пена, изоляция и гильзы применяются для тепло- и звукоизоляции, герметизации и защиты компонентов. Они повышают безопасность и долговечность техники в эксплуатации.
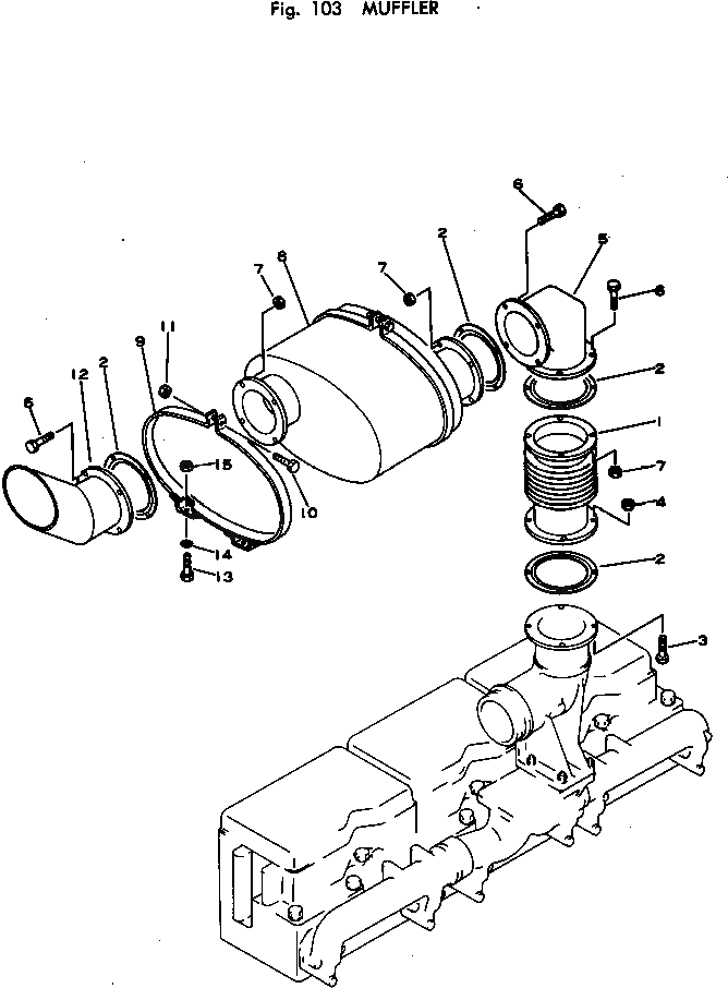
Номер на схеме: 1
Номер на схеме: 1
Состояние
Новый
Общие данные
Номер по каталогу
6128-11-5920
Производитель
Komatsu
Совместимые модели
Бренд техники: Komatsu
Дизельный генератор
EG300-2
Нет документов










