Шайба 310B2010-00 Komatsu
Москва
3

Цена по договоренности
Под заказ 1 шт
Следить за ценой
+7 (925) 605-90-46
Склад - Caterpillar
0.0
0 отзывов
- Описание
- Характеристики
- Совместимость
- Файлы и документы
Комплекты крепежа GET включают болты, гайки и крепёжные элементы для монтажа износных деталей. Они обеспечивают прочность соединений и безопасную работу оборудования при тяжелых землеройных задачах.
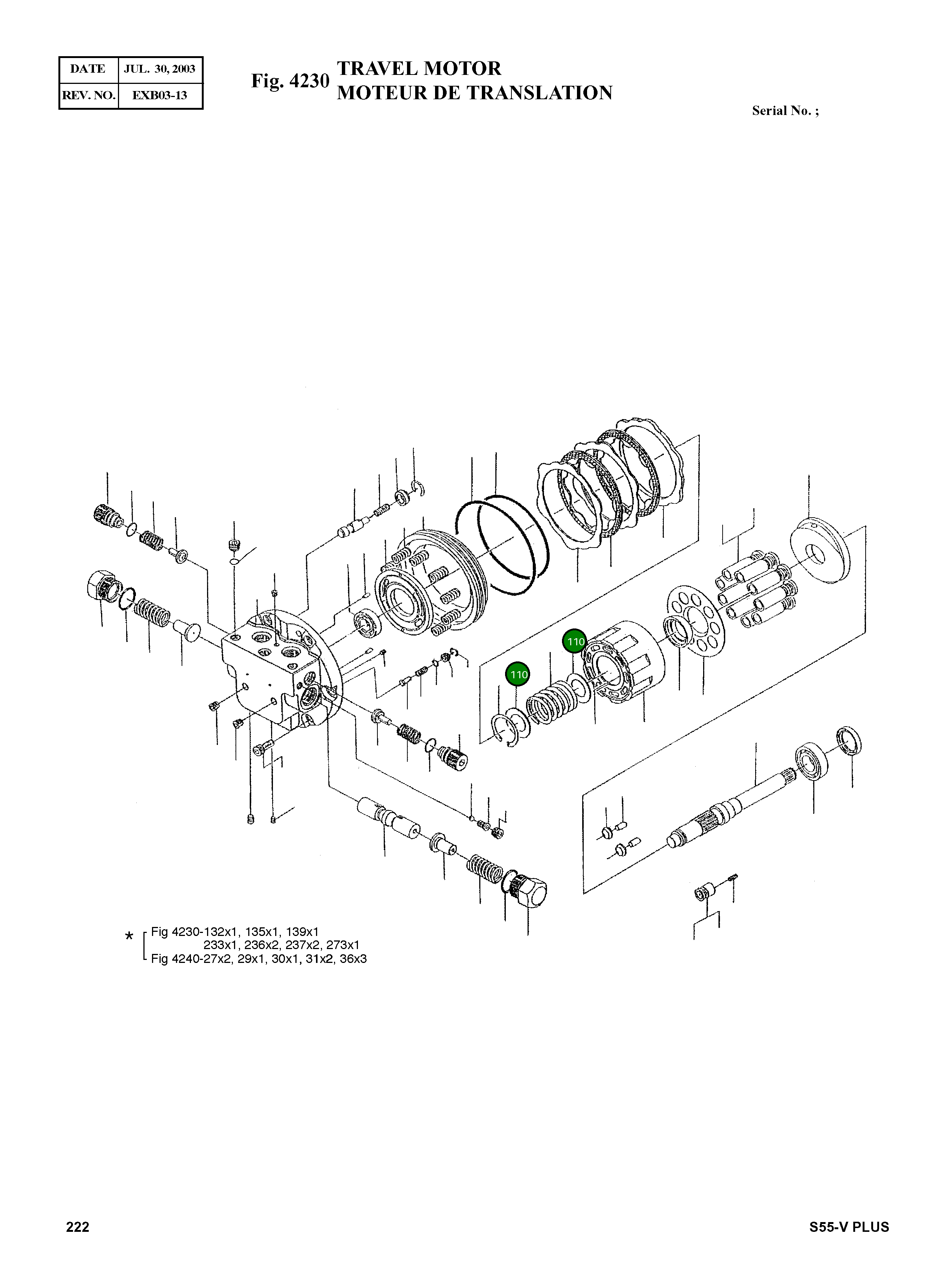
Номер на схеме: 110
Номер на схеме: 110
Состояние
Новый
Общие данные
Номер по каталогу
310B2010-00
Производитель
Komatsu
Совместимые модели
Бренд техники: Doosan
Экскаватор
SOLAR 55-V PLUS, SOLAR 55
Нет документов
















