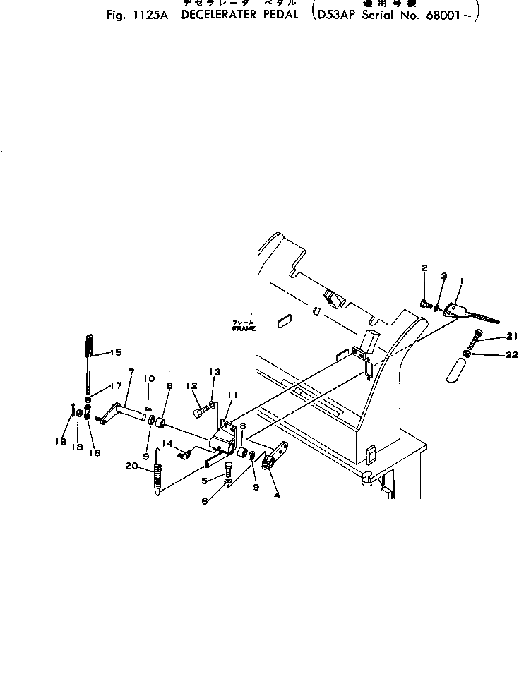
Рычаг 134-43-24112 Komatsu
Рукоятки, защелки и ручные рычаги обеспечивают удобное управление и безопасное взаимодействие с техникой. Они изготавливаются из прочных материалов и долговечны. Надежность снижает риск аварий и повреждений.
Komatsu — один из мировых лидеров в производстве строительной и карьерной техники, известный надежностью и технологичностью своих решений. Оригинальные запчасти Komatsu обеспечивают точное соответствие требованиям оборудования и гарантируют длительный ресурс работы. Комплектующие проходят строгий контроль качества и идеально подходят для восстановления и обслуживания техники в любых условиях эксплуатации.
Komatsu — один из мировых лидеров в производстве строительной и карьерной техники, известный надежностью и технологичностью своих решений. Оригинальные запчасти Komatsu обеспечивают точное соответствие требованиям оборудования и гарантируют длительный ресурс работы. Комплектующие проходят строгий контроль качества и идеально подходят для восстановления и обслуживания техники в любых условиях эксплуатации.











