Провод 426-06-22172 Komatsu
Провод 426-06-22172 Komatsu
Москва
3

Цена по договоренности
Под заказ 1 шт
Следить за ценой
+7 (925) 605-90-46
Склад - Caterpillar
0.0
0 отзывов
- Описание
- Характеристики
- Совместимость
- Файлы и документы
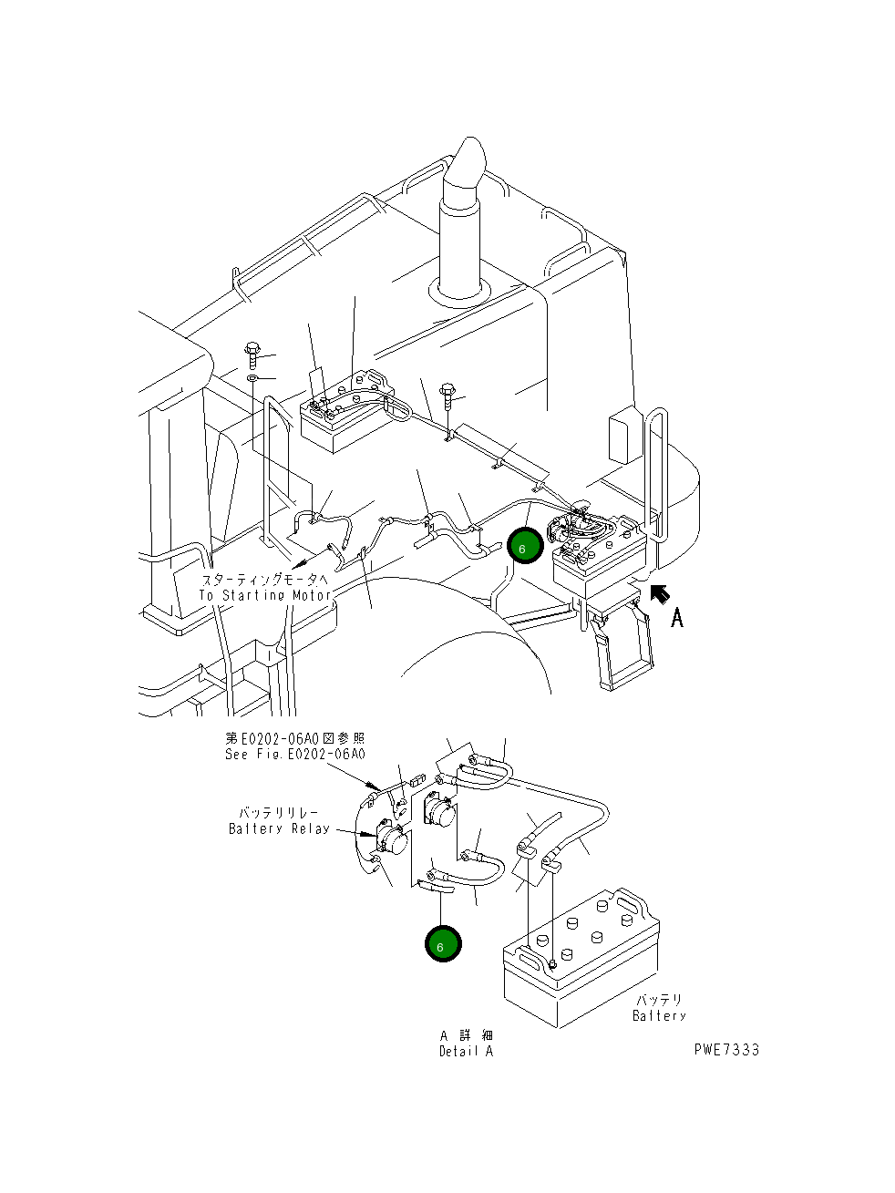
Жгуты проводов и кабельные сборки передают сигналы и питание между электронными системами машины. Они обладают повышенной износостойкостью и защищены от влаги, вибраций и механических повреждений.
Номер на схеме: 6
Номер на схеме: 6
Состояние
Новый
Общие данные
Номер по каталогу
426-06-22172
Производитель
Komatsu
Совместимые модели
Бренд техники: Komatsu
Колёсный погрузчик
WA600-3D, WA600-3
Уплотнитель
WF650T-3
Нет документов




