Провод 207-06-71140 Komatsu
Провод 207-06-71140 Komatsu
Москва
3

Цена по договоренности
Под заказ 1 шт
Следить за ценой
+7 (925) 605-90-46
Склад - Caterpillar
0.0
0 отзывов
- Описание
- Характеристики
- Совместимость
- Файлы и документы
Жгуты проводов и кабельные сборки передают сигналы и питание между электронными системами машины. Они обладают повышенной износостойкостью и защищены от влаги, вибраций и механических повреждений.
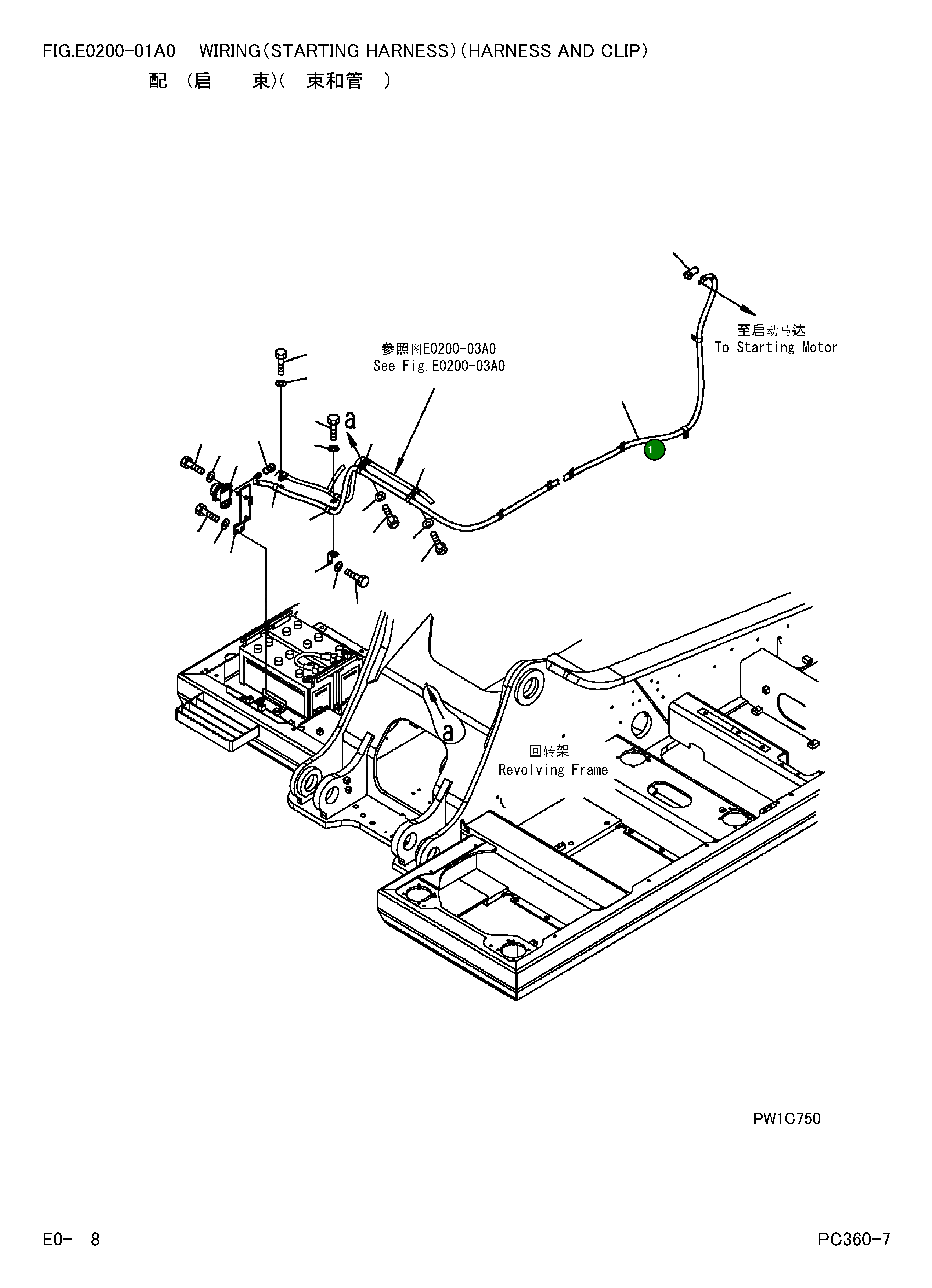
Номер на схеме: 1
Номер на схеме: 1
Состояние
Новый
Общие данные
Номер по каталогу
207-06-71140
Производитель
Komatsu
Совместимые модели
Бренд техники: Komatsu
Экскаватор
PC360-7, PC350-7, PC300-7-AA, PC300-7, PC340LC-7K, PC300LC-7-BA, PC300LC-7, PC350LC-7-BA, PC350LC-7, PC350-7-AA, PC340NLC-7K, PC380LC-7K
Нет документов





