Проставка 134-15-11681 Komatsu
Проставка 134-15-11681 Komatsu
Москва
2

Цена по договоренности
Под заказ 1 шт
Следить за ценой
+7 (925) 605-90-46
Склад - Caterpillar
0.0
0 отзывов
- Описание
- Характеристики
- Совместимость
- Файлы и документы
Прочие крепежные детали обеспечивают надежное соединение элементов техники. Они выдерживают механические нагрузки и вибрации. Надежность этих компонентов снижает риск ослабления соединений и аварийных ситуаций.
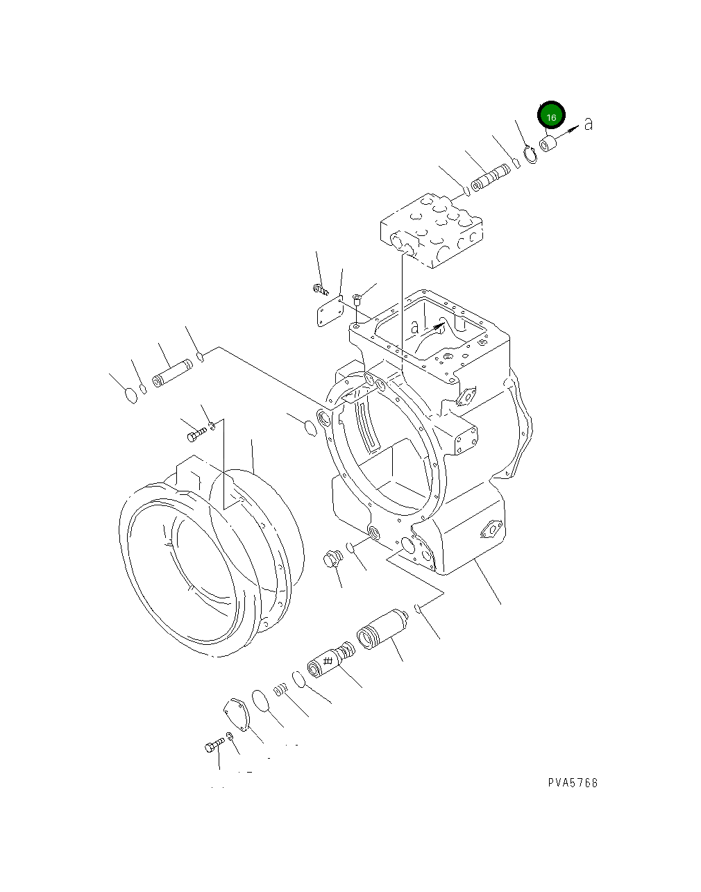
Номер на схеме: 16
Номер на схеме: 16
Состояние
Новый
Общие данные
Номер по каталогу
134-15-11681
Производитель
Komatsu
Совместимые модели
Бренд техники: Komatsu
Бульдозер
D53P-17, D53P-16, D53A-18, D53P-18, D58P-1C, D58E-1B, D58P-1B, D58P-1, D58E-1A, D58E-1, D53P-18A, D53A-17, D53A-16
Гусеничный погрузчик
D57S-1, D53S-16, D57S-1B, D53S-17
Нет документов
















