Прокладка 4180-9159 Komatsu
Москва
5

- Описание
- Характеристики
- Совместимость
- Файлы и документы
Уплотнения, прокладки и уплотнительные кольца - это разнообразные элементы для герметизации соединений и предотвращения утечек. Они используются в двигателях, гидравлике, топливной и силовой передаче. Правильный выбор уплотнительных элементов критичен для надежности и долговечности техники. Эти детали защищают узлы от внешних воздействий и износа.
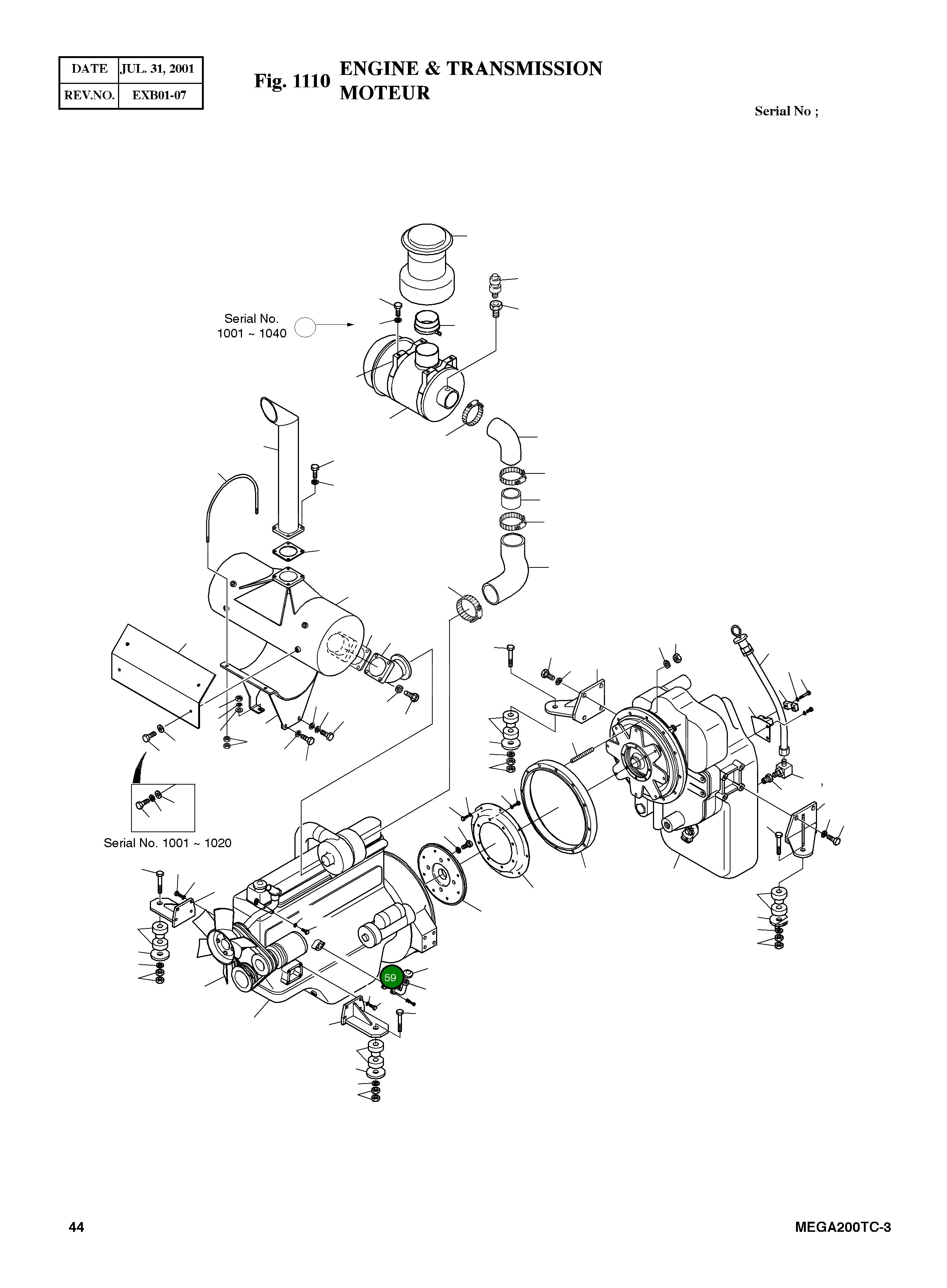
Номер на схеме: 59
Номер на схеме: 59
Состояние
Новый
Общие данные
Номер по каталогу
4180-9159
Производитель
Komatsu
Совместимые модели
Бренд техники: Doosan
Колёсный погрузчик
MEGA 200TC-III, MEGA 200-III, MEGA 250-V Tier-II, MEGA 250-V, MEGA 200TC-V, MEGA 200-V, MEGA 160TC Tier-II, MEGA 160TC, MEGA 160 Tier-II, MEGA 160
Бренд техники: Komatsu
Бульдозер
DD80
Нет документов



