Прокладка 180-00407 Komatsu
Москва
2

- Описание
- Характеристики
- Совместимость
- Файлы и документы
Уплотнения, прокладки и уплотнительные кольца - это разнообразные элементы для герметизации соединений и предотвращения утечек. Они используются в двигателях, гидравлике, топливной и силовой передаче. Правильный выбор уплотнительных элементов критичен для надежности и долговечности техники. Эти детали защищают узлы от внешних воздействий и износа.
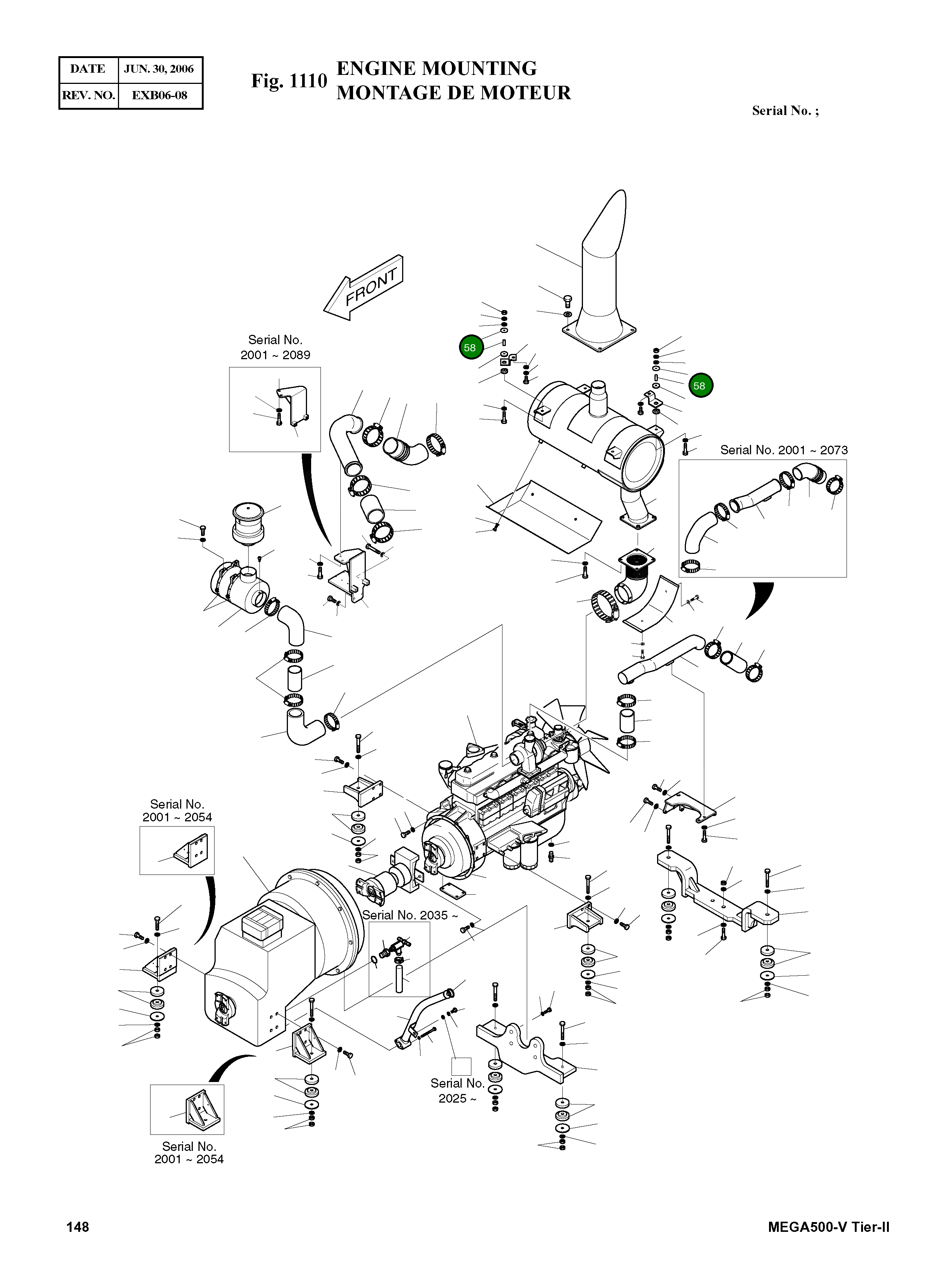
Номер на схеме: 58
Номер на схеме: 58
Состояние
Новый
Общие данные
Номер по каталогу
180-00407
Производитель
Komatsu
Совместимые модели
Бренд техники: Doosan
Колёсный погрузчик
MEGA 500-V Tier-II, MEGA 400-V, MEGA 300-V
Нет документов






