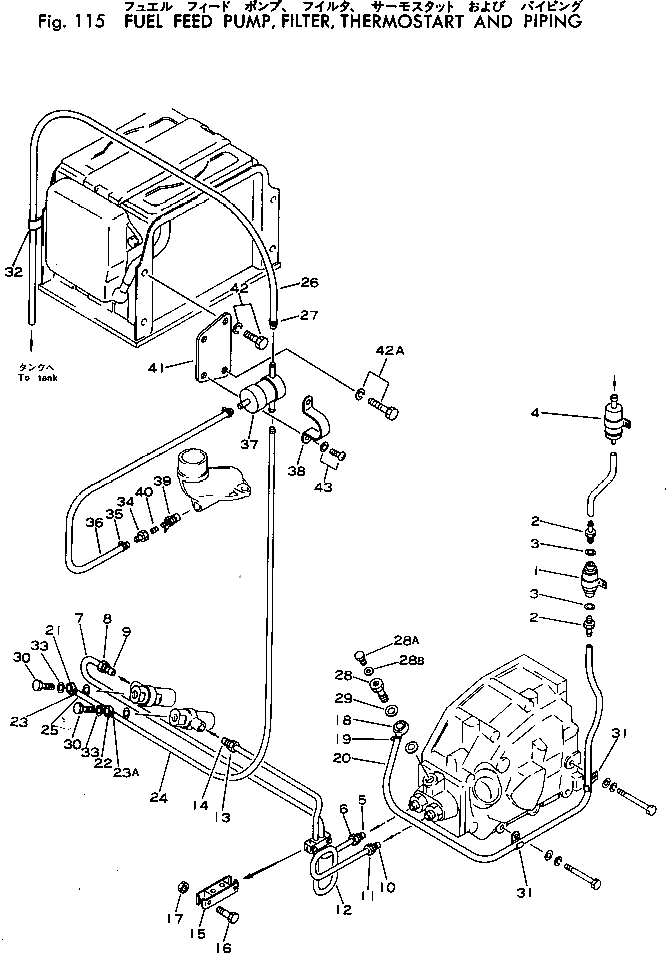
Подкачивающий насос, в сборе YM124790-52201 Komatsu
Топливная система обеспечивает подачу топлива к двигателю и поддерживает его рабочее давление. Она включает насосы, фильтры, форсунки, трубопроводы и регуляторы. Надежная работа топливной системы критична для мощности двигателя и экономичности расхода топлива.
Номер на схеме: 1
Номер на схеме: 1











