Палец 22360-080000 Komatsu
Москва
4

Цена по договоренности
Под заказ 1 шт
Следить за ценой
+7 (925) 605-90-46
Склад - Caterpillar
0.0
0 отзывов
- Описание
- Характеристики
- Совместимость
- Файлы и документы
Пальцы рычажного механизма и подшипники скольжения обеспечивают надежное соединение и движение под нагрузкой в механизмах техники. Они уменьшают износ деталей и повышают долговечность рабочих узлов.
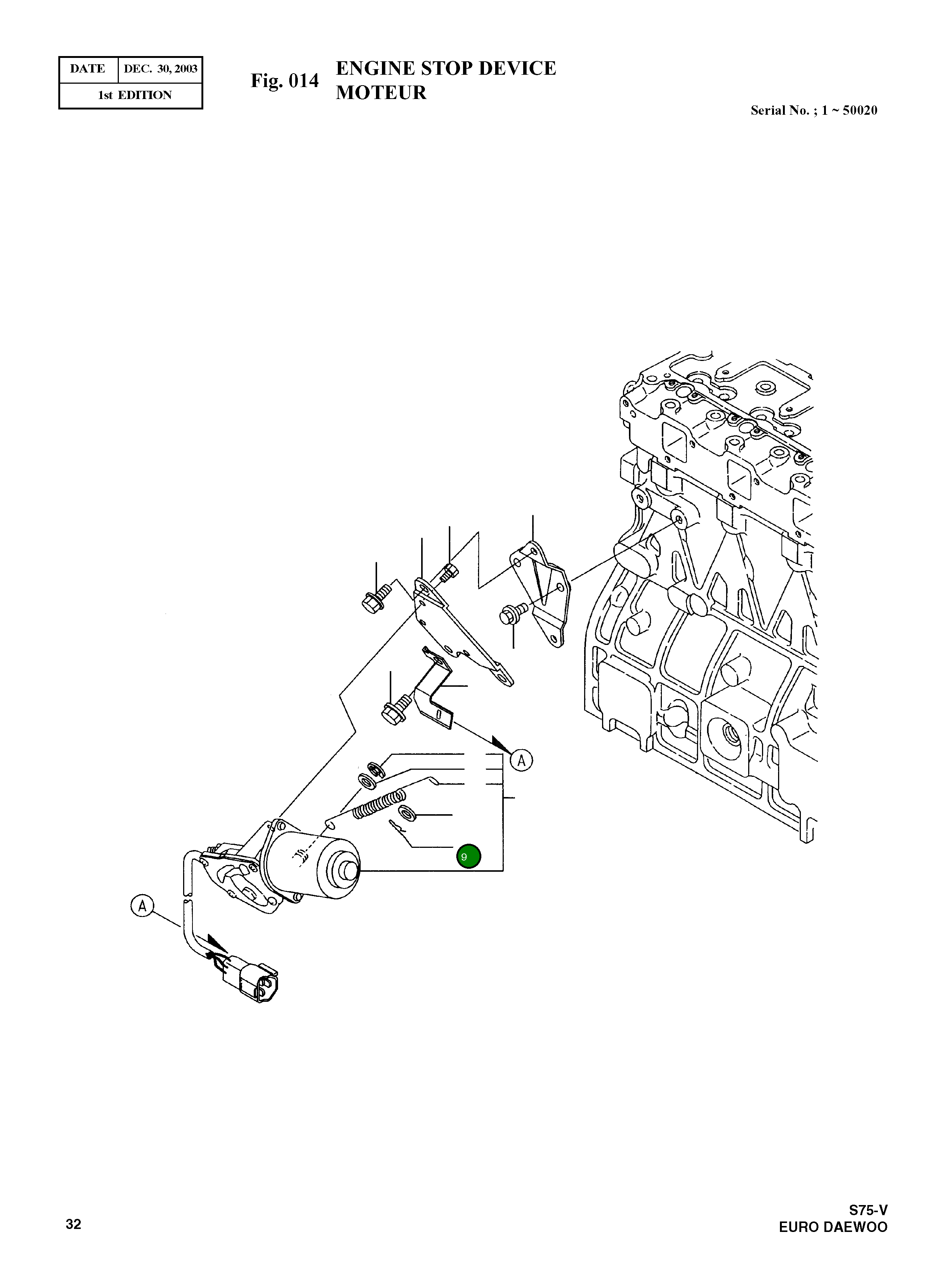
Номер на схеме: 9
Номер на схеме: 9
Состояние
Новый
Общие данные
Номер по каталогу
22360-080000
Производитель
Komatsu
Совместимые модели
Бренд техники: Doosan
Экскаватор
SOLAR 75-V - DIEU, SOLAR 75-V, SOLAR 55W-V, SOLAR 55-V PLUS
Нет документов







