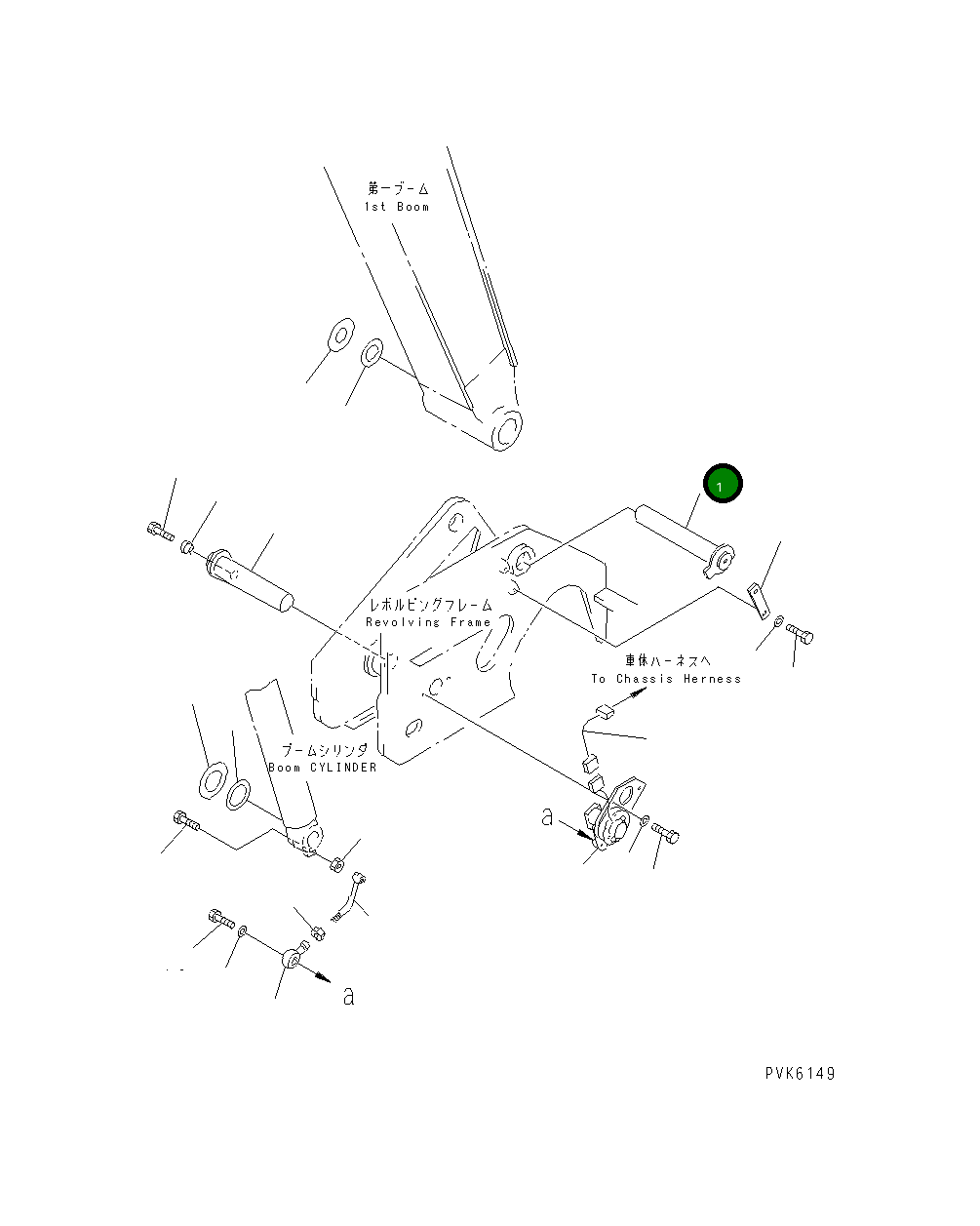
Палец 21X-70-21160 Komatsu
Москва
4

Цена по договоренности
Под заказ 1 шт
Следить за ценой
+7 (925) 605-90-46
Склад - Caterpillar
0.0
0 отзывов
- Описание
- Характеристики
- Совместимость
- Файлы и документы
Пальцы рычажного механизма и подшипники скольжения обеспечивают надежное соединение и движение под нагрузкой в механизмах техники. Они уменьшают износ деталей и повышают долговечность рабочих узлов.
Номер на схеме: 1
Номер на схеме: 1
Состояние
Новый
Общие данные
Номер по каталогу
21X-70-21160
Производитель
Komatsu
Совместимые модели
Бренд техники: Komatsu
Экскаватор
PC38UU-2, PC38UUM-2
Нет документов










