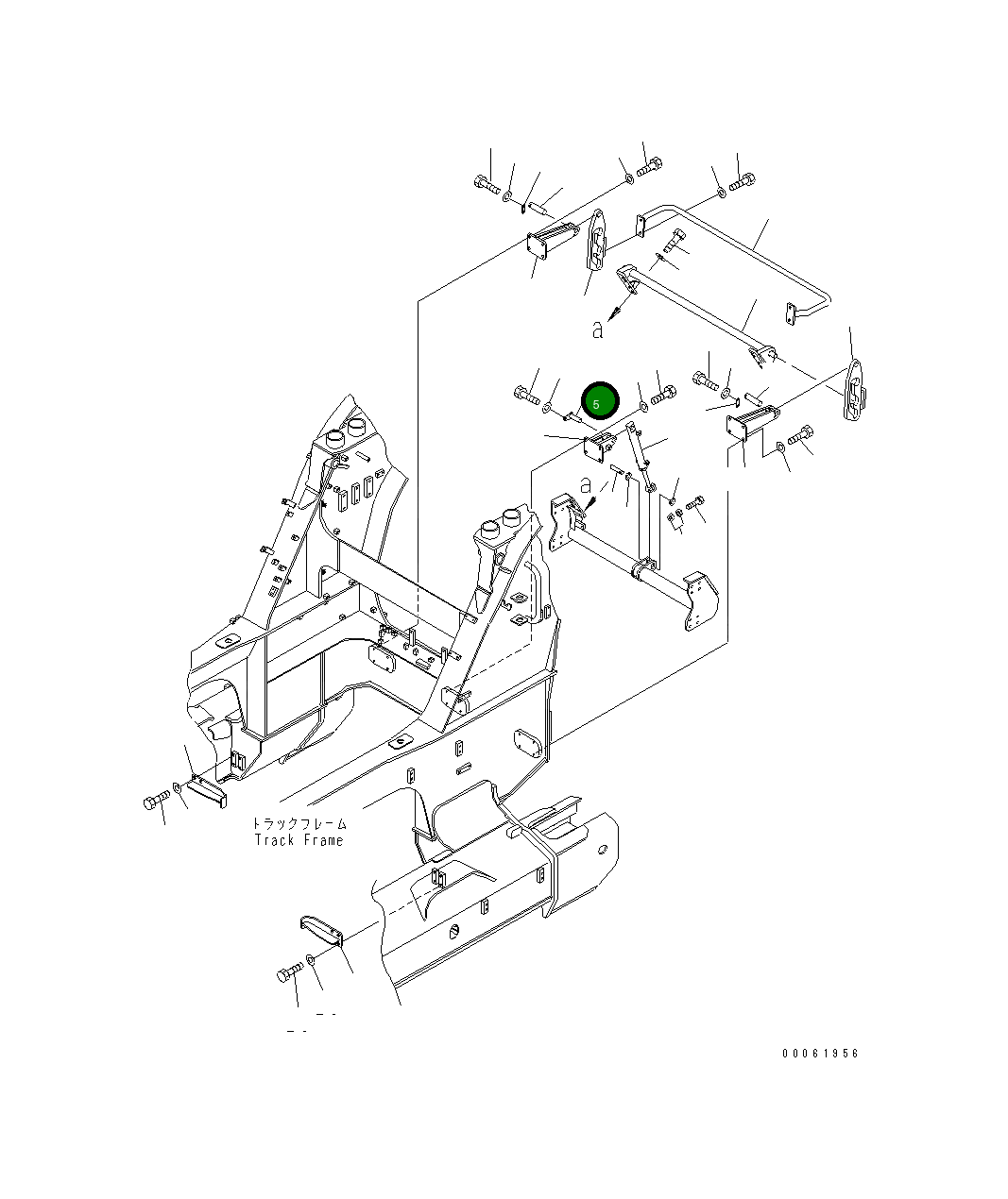
Палец 21R-70-11190 Komatsu
Москва
6

- Описание
- Характеристики
- Совместимость
- Файлы и документы
Пальцы рычажного механизма и подшипники скольжения обеспечивают надежное соединение и движение под нагрузкой в механизмах техники. Они уменьшают износ деталей и повышают долговечность рабочих узлов.
Номер на схеме: 5
Номер на схеме: 5
Состояние
Новый
Общие данные
Номер по каталогу
21R-70-11190
Производитель
Komatsu
Совместимые модели
Бренд техники: Komatsu
Мобильные дробилки и перерабатывающие установки
BR580JG-1
Экскаватор
PC02-1A, PC02-1
Нет документов










