Палец 2123-2212B Komatsu
Москва
4

- Описание
- Характеристики
- Совместимость
- Файлы и документы
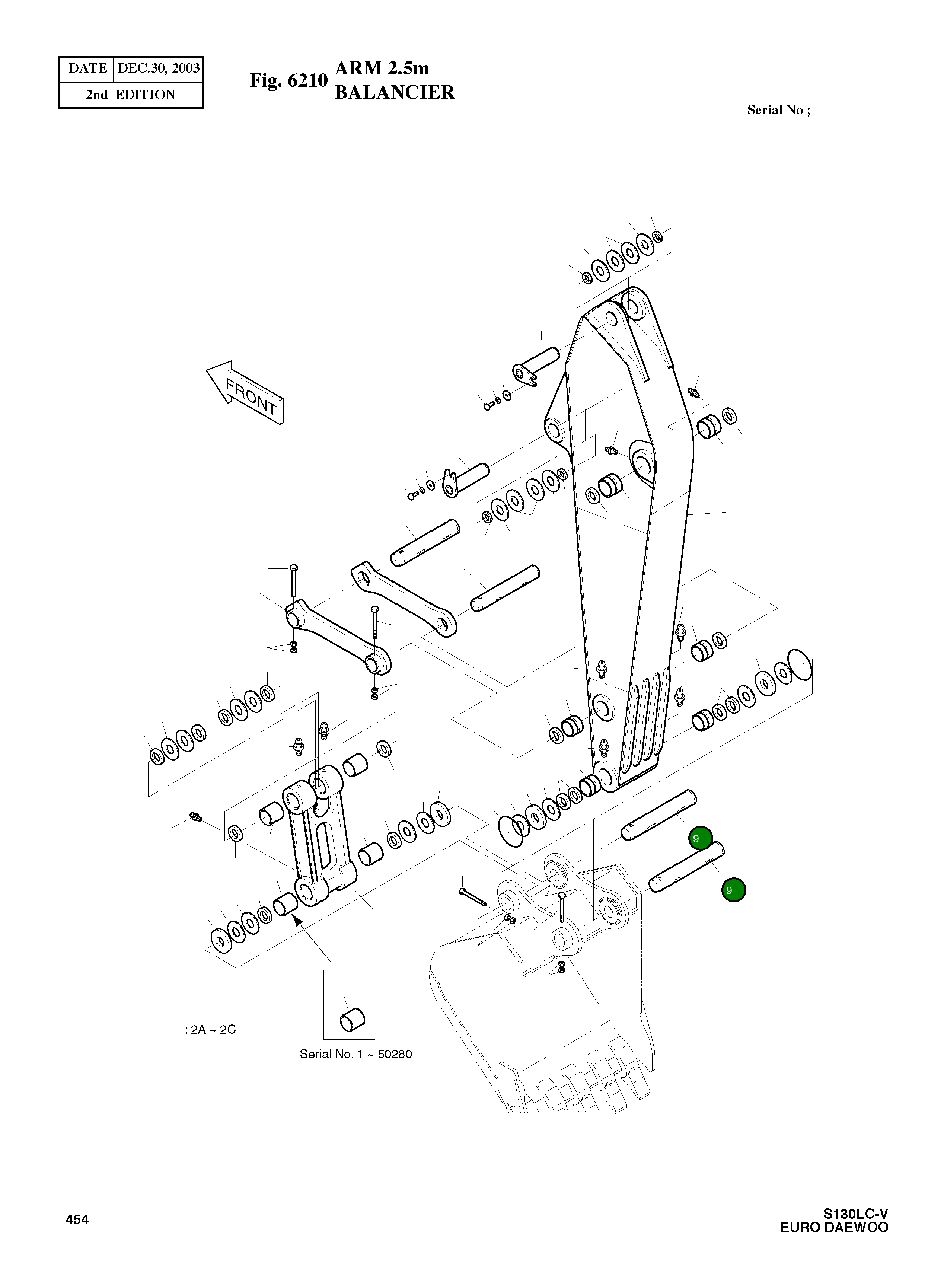
Пальцы рычажного механизма и подшипники скольжения обеспечивают надежное соединение и движение под нагрузкой в механизмах техники. Они уменьшают износ деталей и повышают долговечность рабочих узлов.
Номер на схеме: 9
Номер на схеме: 9
Состояние
Новый
Общие данные
Номер по каталогу
2123-2212B
Производитель
Komatsu
Совместимые модели
Бренд техники: Doosan
Экскаватор
SOLAR 130LC-V - DIEU, SOLAR 130W-V(2), SOLAR 130W-V(1), SOLAR 130LC-V
Нет документов








