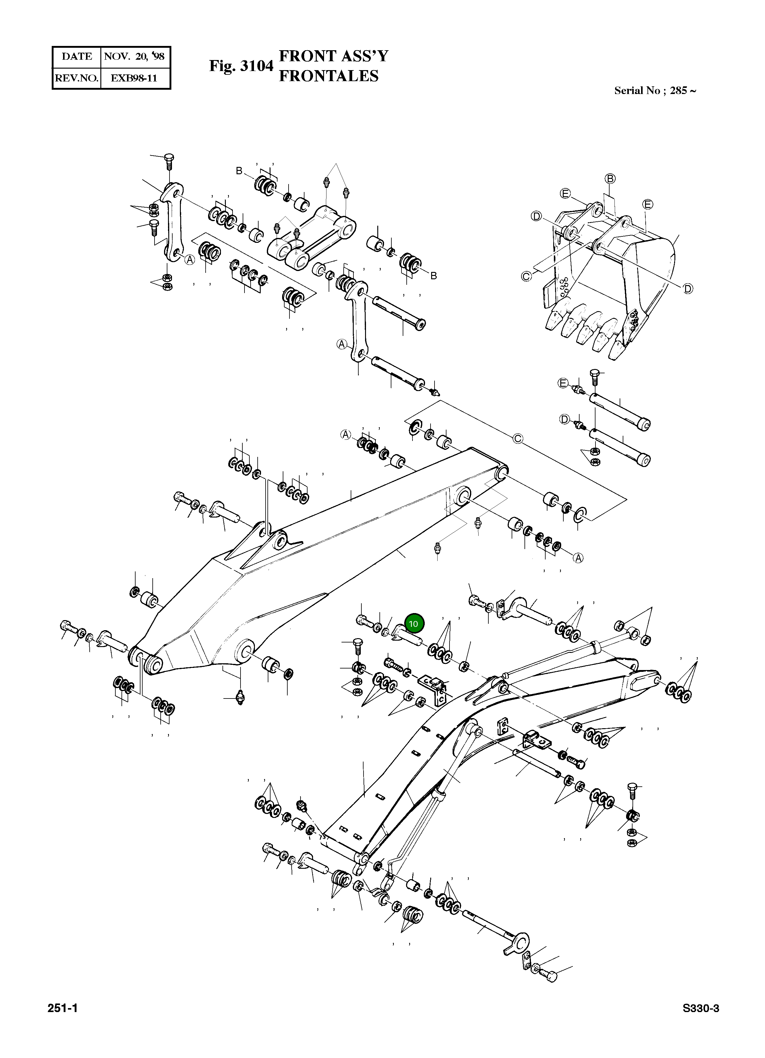
Палец 2123-2031C Komatsu
Пальцы рычажного механизма и подшипники скольжения обеспечивают надежное соединение и движение под нагрузкой в механизмах техники. Они уменьшают износ деталей и повышают долговечность рабочих узлов.
Номер на схеме: 10
Номер на схеме: 10











