Палец 123-00291 Komatsu
Москва
3

- Описание
- Характеристики
- Совместимость
- Файлы и документы
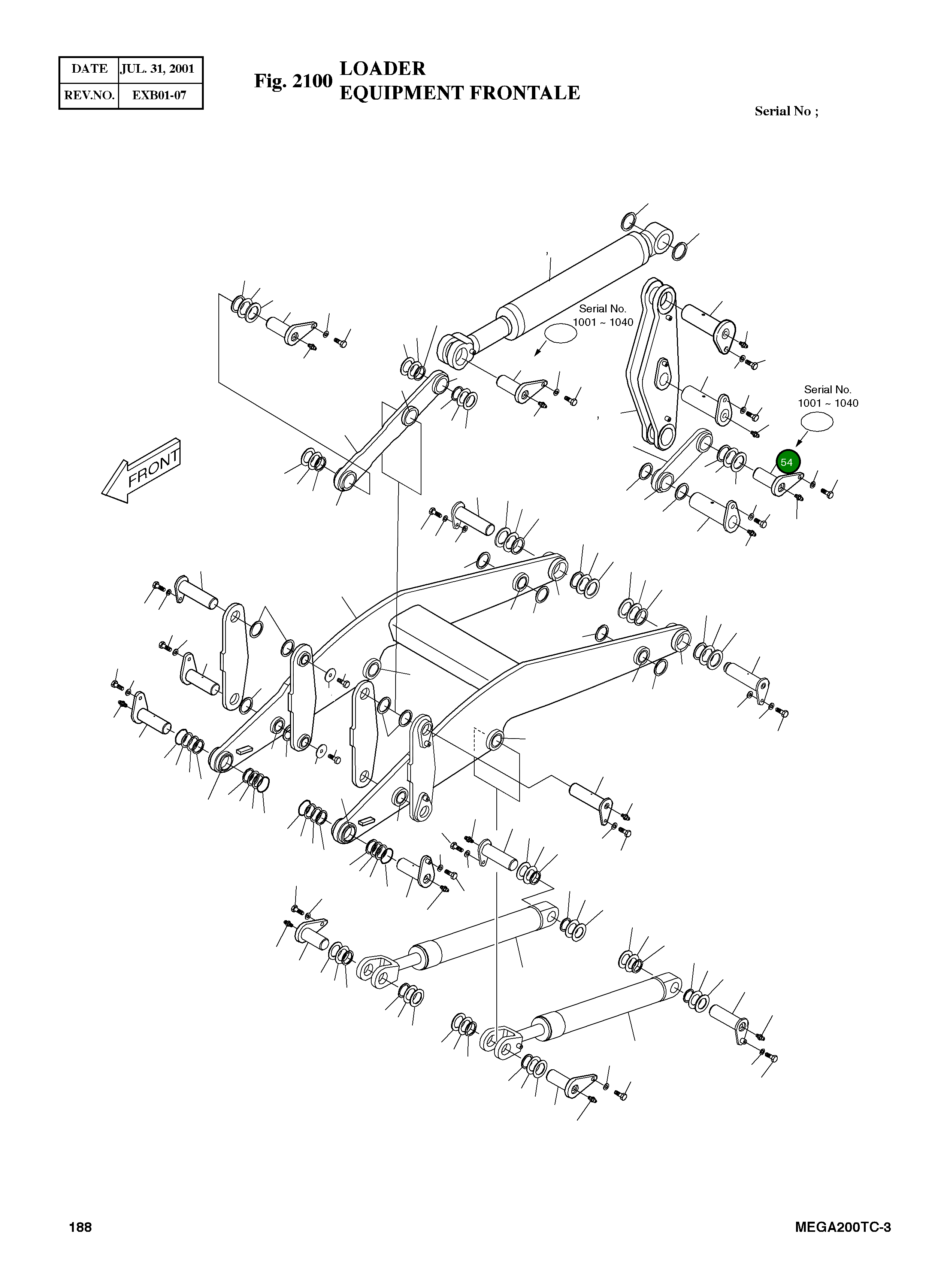
Пальцы рычажного механизма и подшипники скольжения обеспечивают надежное соединение и движение под нагрузкой в механизмах техники. Они уменьшают износ деталей и повышают долговечность рабочих узлов.
Номер на схеме: 54
Номер на схеме: 54
Состояние
Новый
Общие данные
Номер по каталогу
123-00291
Производитель
Komatsu
Совместимые модели
Бренд техники: Doosan
Колёсный погрузчик
MEGA 200TC-III, MEGA 200TC-V
Нет документов











