Муфта 414-00040 Komatsu
Муфта 414-00040 Komatsu
Москва
4

- Описание
- Характеристики
- Совместимость
- Файлы и документы
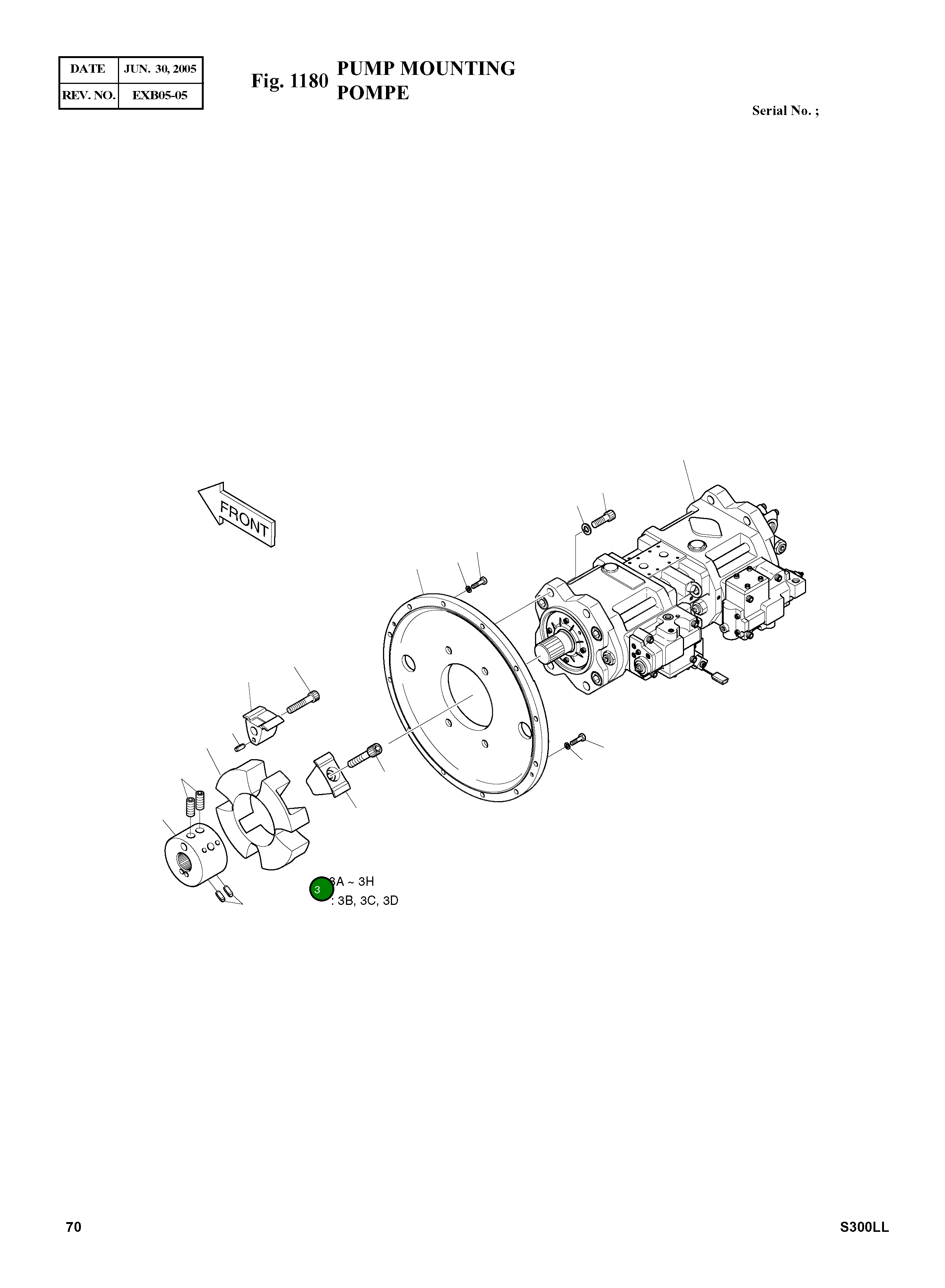
Муфты сцепления и их компоненты обеспечивают плавную передачу крутящего момента в трансмиссии. Они повышают эффективность работы машины, обеспечивают мягкость переключений и снижают нагрузку на элементы силовой передачи.
Номер на схеме: 3
Номер на схеме: 3
Состояние
Новый
Общие данные
Номер по каталогу
414-00040
Производитель
Komatsu
Совместимые модели
Бренд техники: Doosan
Экскаватор
SOLAR 300LL, SOLAR 300LC-V
Нет документов















