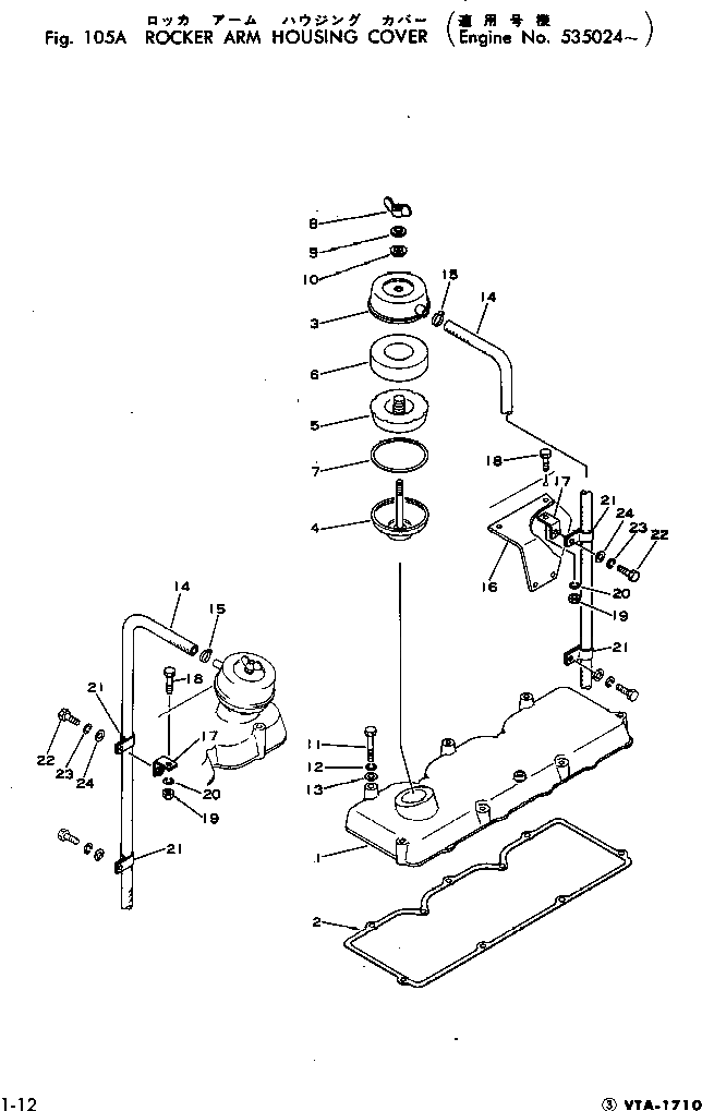
Крышка CU3000595 Komatsu
Прочие крышки и опоры защищают внутренние элементы техники и поддерживают их стабильное положение. Они повышают долговечность конструкции и предотвращают повреждения. Это снижает вероятность поломок и обеспечивает безопасную эксплуатацию.
Komatsu — один из мировых лидеров в производстве строительной и карьерной техники, известный надежностью и технологичностью своих решений. Оригинальные запчасти Komatsu обеспечивают точное соответствие требованиям оборудования и гарантируют длительный ресурс работы. Комплектующие проходят строгий контроль качества и идеально подходят для восстановления и обслуживания техники в любых условиях эксплуатации.
Komatsu — один из мировых лидеров в производстве строительной и карьерной техники, известный надежностью и технологичностью своих решений. Оригинальные запчасти Komatsu обеспечивают точное соответствие требованиям оборудования и гарантируют длительный ресурс работы. Комплектующие проходят строгий контроль качества и идеально подходят для восстановления и обслуживания техники в любых условиях эксплуатации.
















