Кронштейн 9195-1410 Komatsu
Москва
5

- Описание
- Характеристики
- Совместимость
- Файлы и документы
Элементы крепёжной архитектуры, такие как брусы, пластины и кронштейны, обеспечивают устойчивое и точное соединение конструкционных узлов. Они используются для усиления и фиксирования деталей в широком диапазоне применений.
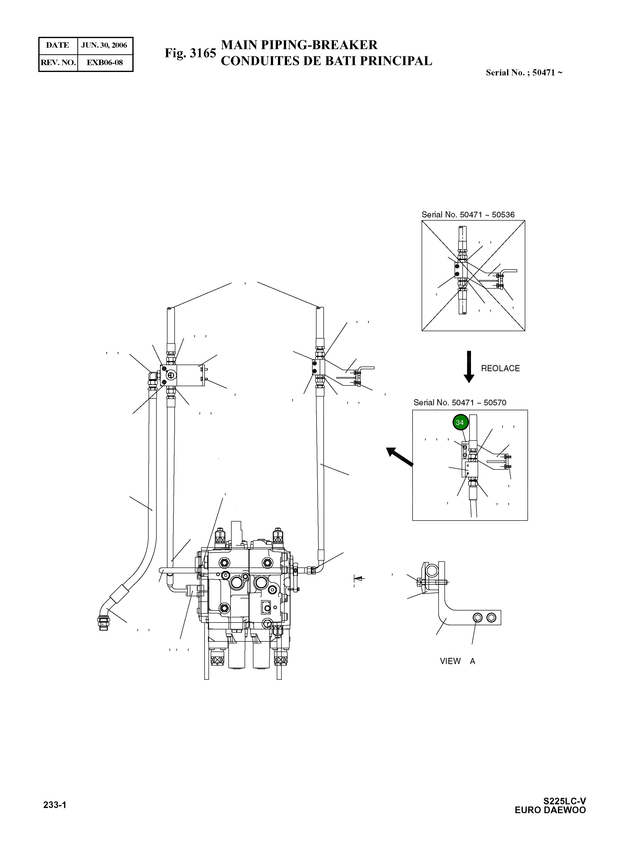
Номер на схеме: 34
Номер на схеме: 34
Состояние
Новый
Общие данные
Номер по каталогу
9195-1410
Производитель
Komatsu
Совместимые модели
Бренд техники: Doosan
Экскаватор
SOLAR 225LC-V - DIEU
Нет документов













