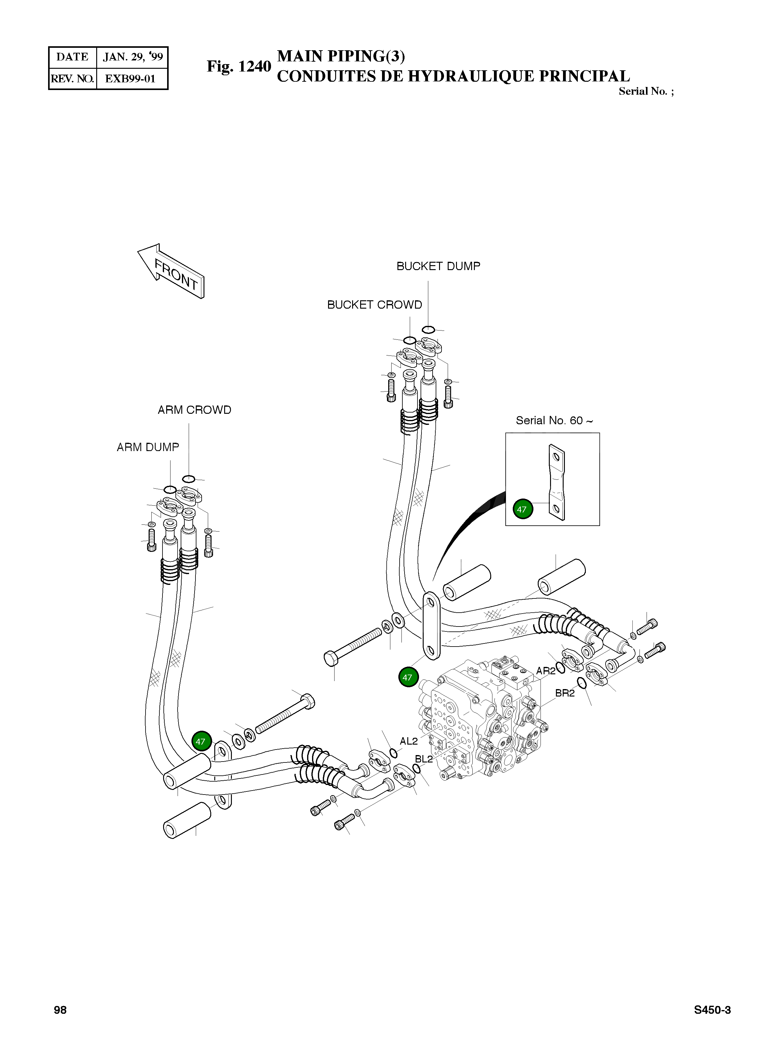
Кронштейн 2197-1343 Komatsu
Москва
3

Цена по договоренности
Под заказ 1 шт
Следить за ценой
+7 (925) 605-90-46
Склад - Caterpillar
0.0
0 отзывов
- Описание
- Характеристики
- Совместимость
- Файлы и документы
Элементы крепёжной архитектуры, такие как брусы, пластины и кронштейны, обеспечивают устойчивое и точное соединение конструкционных узлов. Они используются для усиления и фиксирования деталей в широком диапазоне применений.
Номер на схеме: 47
Номер на схеме: 47
Состояние
Новый
Общие данные
Номер по каталогу
2197-1343
Производитель
Komatsu
Совместимые модели
Бренд техники: Doosan
Экскаватор
SOLAR 450-III
Нет документов











