Кронштейн 195-02117A Komatsu
Москва
2

Цена по договоренности
Под заказ 1 шт
Следить за ценой
+7 (925) 605-90-46
Склад - Caterpillar
0.0
0 отзывов
- Описание
- Характеристики
- Совместимость
- Файлы и документы
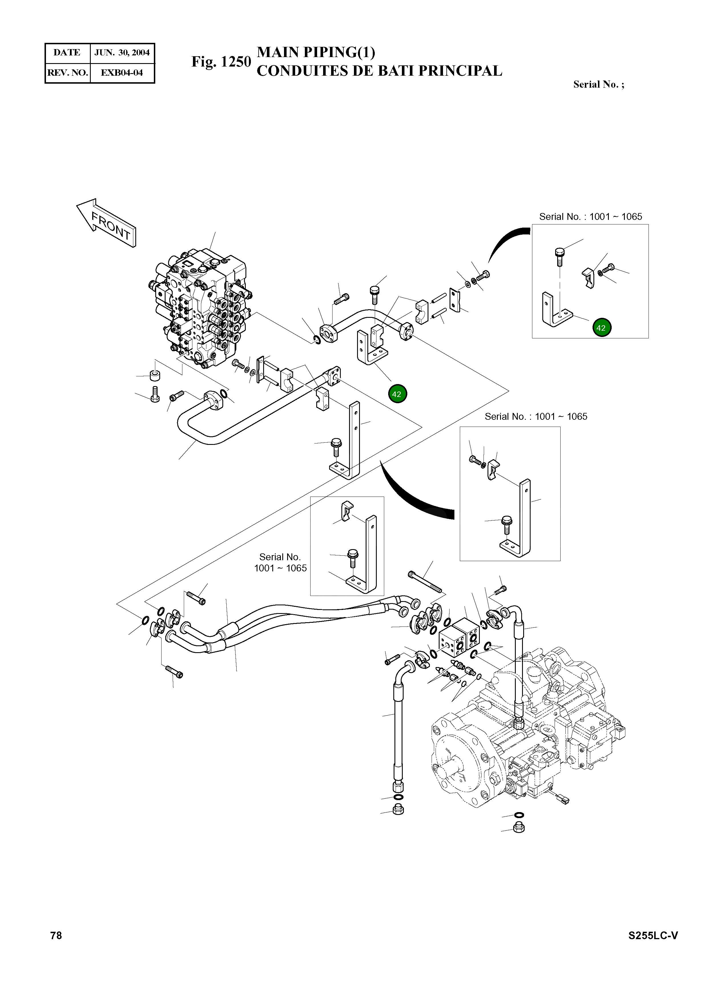
Элементы крепёжной архитектуры, такие как брусы, пластины и кронштейны, обеспечивают устойчивое и точное соединение конструкционных узлов. Они используются для усиления и фиксирования деталей в широком диапазоне применений.
Номер на схеме: 42
Номер на схеме: 42
Состояние
Новый
Общие данные
Номер по каталогу
195-02117A
Производитель
Komatsu
Совместимые модели
Бренд техники: Doosan
Экскаватор
SOLAR 255LC-V - DIEU, SOLAR 255LC-V
Нет документов
















