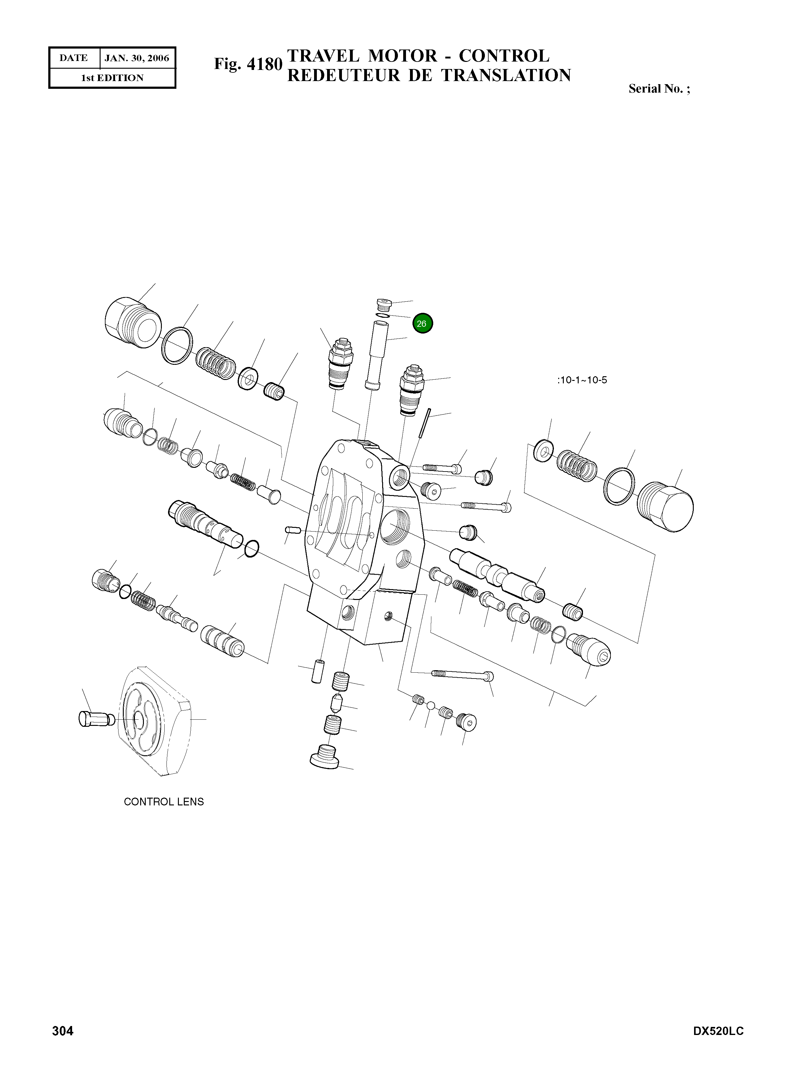
Кольцо уплотнительное (O-Ring) 2.180-01200 Komatsu
Уплотнения, прокладки и уплотнительные кольца - это разнообразные элементы для герметизации соединений и предотвращения утечек. Они используются в двигателях, гидравлике, топливной и силовой передаче. Правильный выбор уплотнительных элементов критичен для надежности и долговечности техники. Эти детали защищают узлы от внешних воздействий и износа.
Komatsu — один из мировых лидеров в производстве строительной и карьерной техники, известный надежностью и технологичностью своих решений. Оригинальные запчасти Komatsu обеспечивают точное соответствие требованиям оборудования и гарантируют длительный ресурс работы. Комплектующие проходят строгий контроль качества и идеально подходят для восстановления и обслуживания техники в любых условиях эксплуатации.
Komatsu — один из мировых лидеров в производстве строительной и карьерной техники, известный надежностью и технологичностью своих решений. Оригинальные запчасти Komatsu обеспечивают точное соответствие требованиям оборудования и гарантируют длительный ресурс работы. Комплектующие проходят строгий контроль качества и идеально подходят для восстановления и обслуживания техники в любых условиях эксплуатации.




















