Гайка M10X1.5 S4012603 Komatsu

Москва
2
Гайка M10X1.5 S4012603 Komatsu
Цена по договоренности
Под заказ 1 шт
+7 (925) 605-90-46
Склад - Caterpillar
0.0
  • Описание
  • Характеристики
  • Совместимость
  • Файлы и документы
Крепёжные детали включают болты, гайки, шайбы и другие элементы, обеспечивающие прочность соединений. Изготовлены из материалов, устойчивых к коррозии и механическим воздействиям.

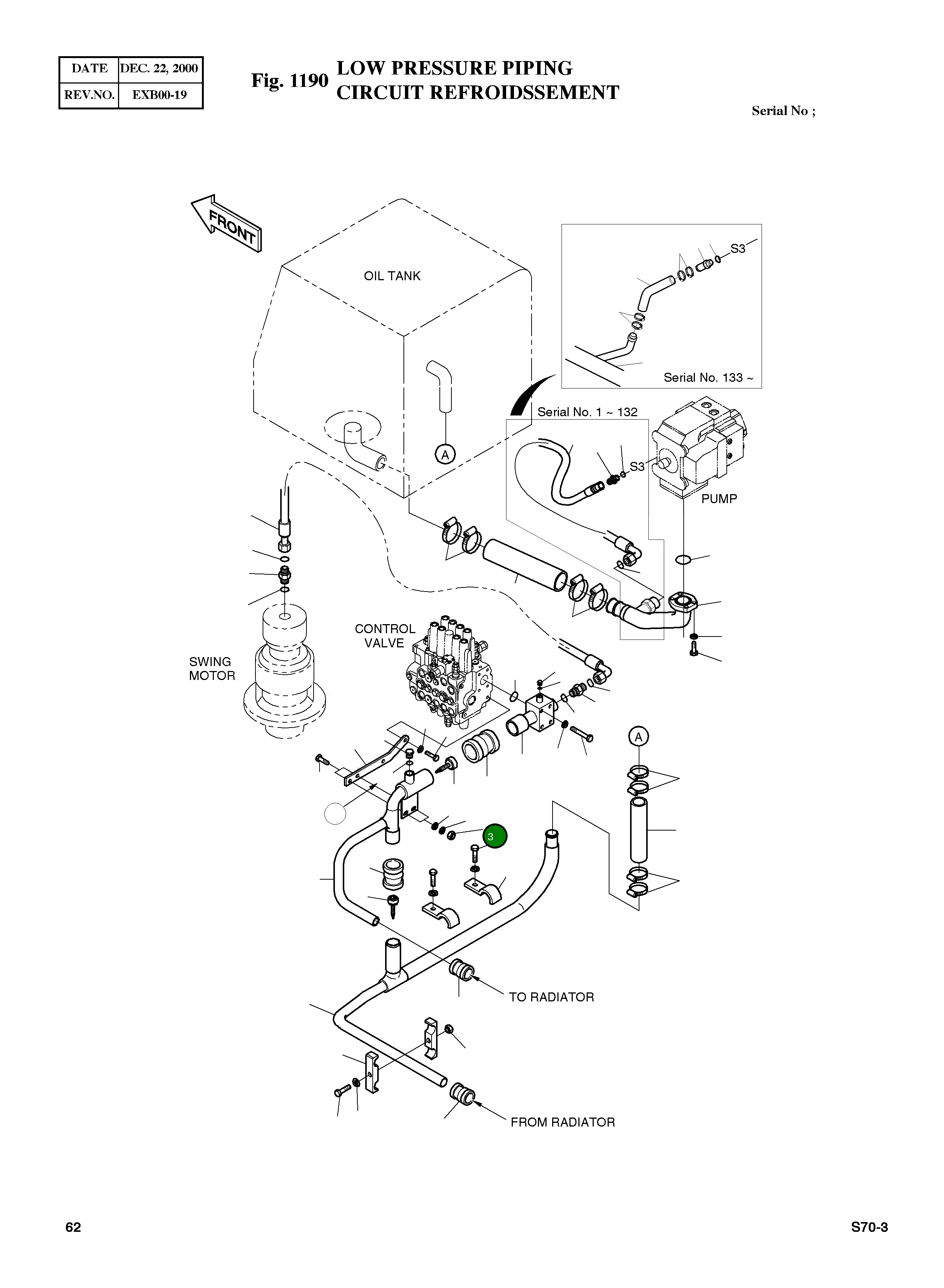
Номер на схеме: 3

Состояние

Новый

Общие данные

Номер по каталогу

S4012603

Производитель

Komatsu
Совместимые модели
Бренд техники: Doosan
Колёсный погрузчик
MEGA 400-III PLUS, MEGA 300-III
Экскаватор
SOLAR 70-III, SOLAR 200W-III, SOLAR 170W-III, SOLAR 130W-III, SOLAR 55W-V, SOLAR 300LC-V

Нет документов