Цилиндр 21T-30-74130 Komatsu
Цилиндр 21T-30-74130 Komatsu
Москва
2

- Описание
- Характеристики
- Совместимость
- Файлы и документы
Гидроцилиндры и их элементы обеспечивают преобразование гидравлического давления в линейное движение. Высокая прочность и точность изготовления гарантируют надёжность, плавность хода и долговечность оборудования.
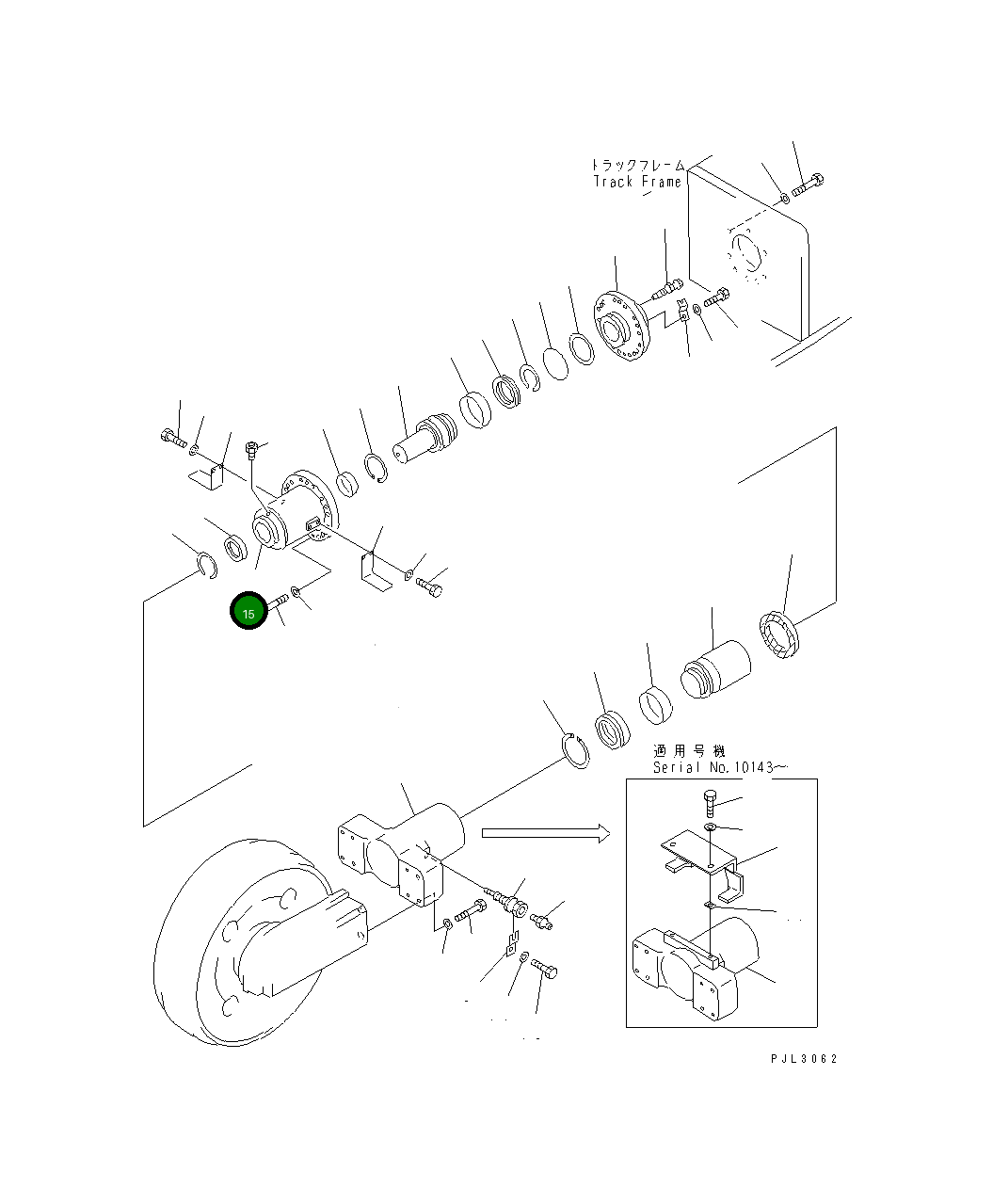
Номер на схеме: 15
Номер на схеме: 15
Состояние
Новый
Общие данные
Номер по каталогу
21T-30-74130
Производитель
Komatsu
Совместимые модели
Бренд техники: Komatsu
Экскаватор
PC1600SP-1, PC1600-1-A, PC1600-1
Нет документов








