Болт M8X1.25X30 2120-1490 Komatsu
Болт M8X1.25X30 2120-1490 Komatsu
Москва
1
18 декабря 2025

- Описание
- Характеристики
- Файлы и документы
Комплекты крепежа GET включают болты, гайки и крепёжные элементы для монтажа износных деталей. Они обеспечивают прочность соединений и безопасную работу оборудования при тяжелых землеройных задачах.
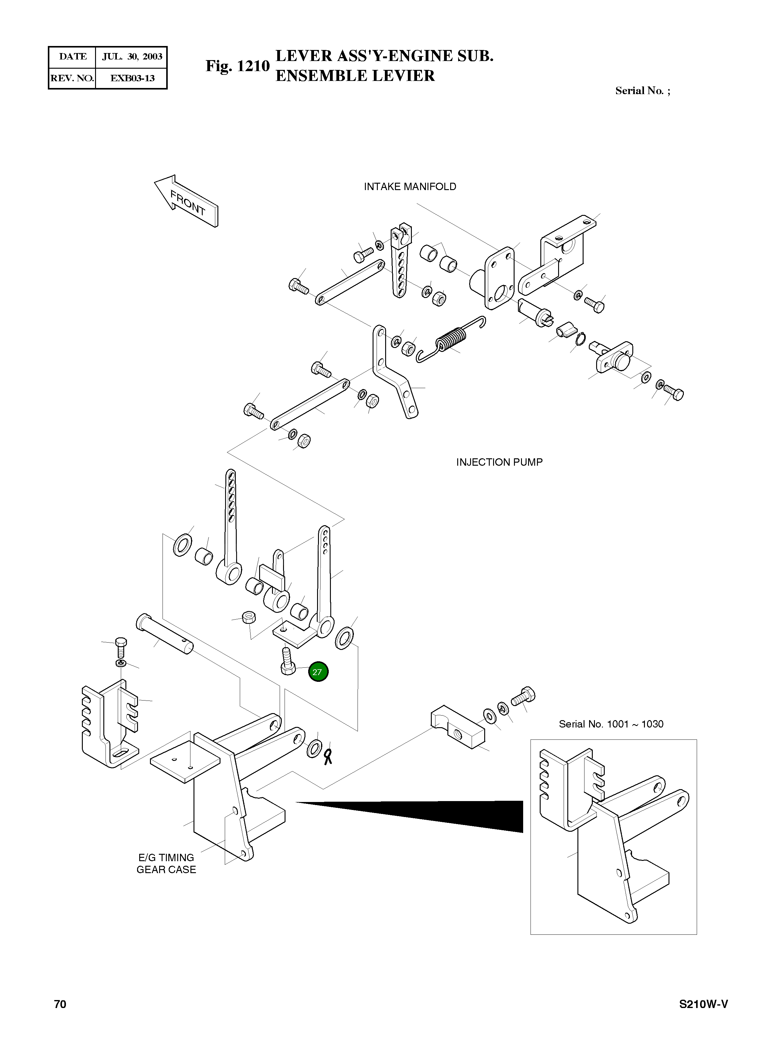
Номер на схеме: 27
Номер на схеме: 27
Состояние
Новый
Применяемость
Бренд техники
Komatsu
Модель техники
SOLAR 210W-V, SOLAR 200W-V, SOLAR 180W-V, SOLAR 170W-V, SOLAR 160W-V, SOLAR 140W-V & S160W-V - DIEU, SOLAR 140W-V, SOLAR 130W-V
Нет документов
















