Болт M6X1.0X20 S0504803 Komatsu
Болт M6X1.0X20 S0504803 Komatsu
Москва
1
18 декабря 2025

- Описание
- Характеристики
- Файлы и документы
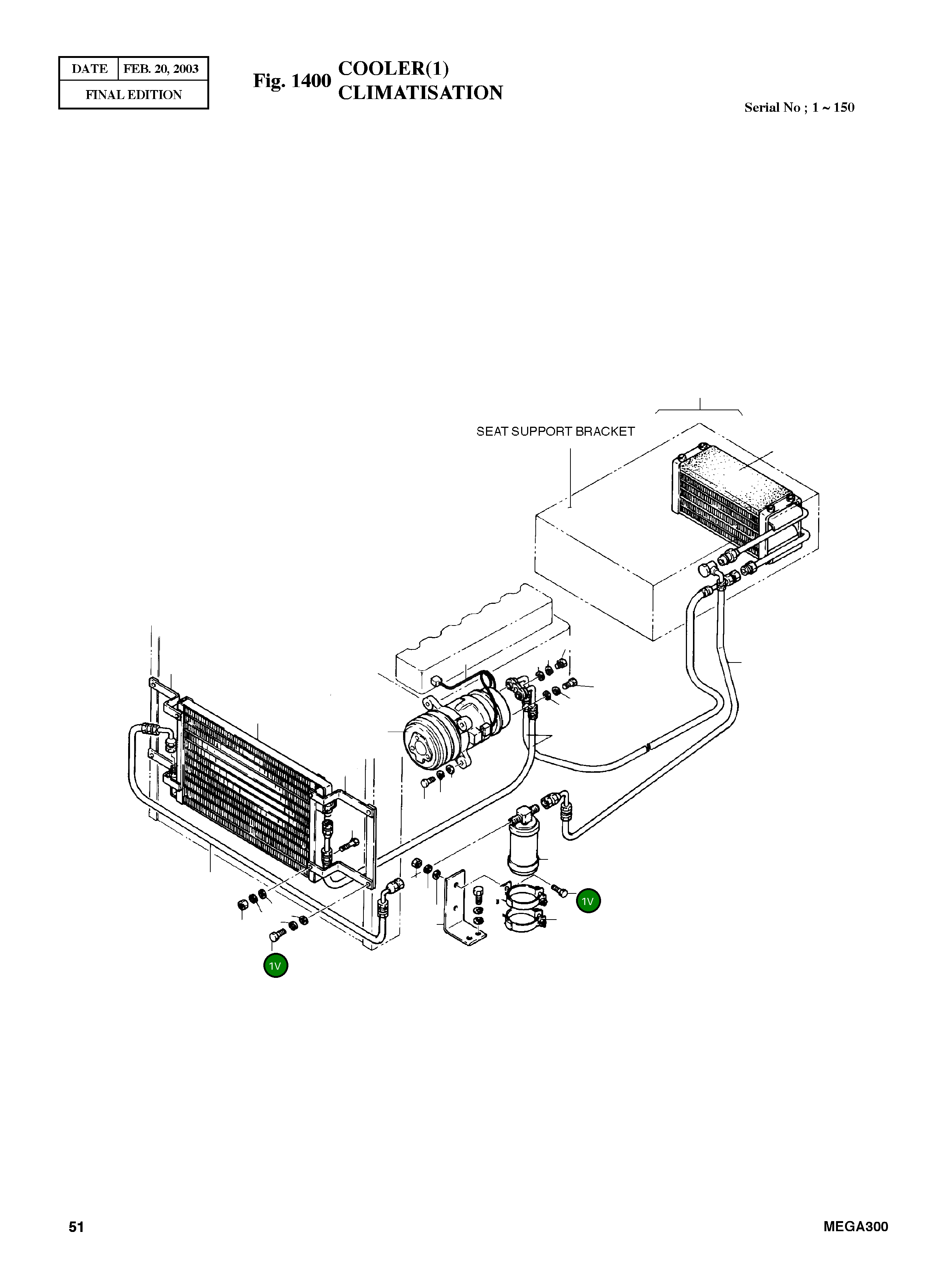
Комплекты крепежа GET включают болты, гайки и крепёжные элементы для монтажа износных деталей. Они обеспечивают прочность соединений и безопасную работу оборудования при тяжелых землеройных задачах.
Номер на схеме: 1V
Номер на схеме: 1V
Состояние
Новый
Применяемость
Бренд техники
Komatsu
Модель техники
MEGA300
Нет документов
















