Болт M16X2.0X45 S0565151 Komatsu
Болт M16X2.0X45 S0565151 Komatsu
Москва
1
18 декабря 2025

- Описание
- Характеристики
- Файлы и документы
Комплекты крепежа GET включают болты, гайки и крепёжные элементы для монтажа износных деталей. Они обеспечивают прочность соединений и безопасную работу оборудования при тяжелых землеройных задачах.
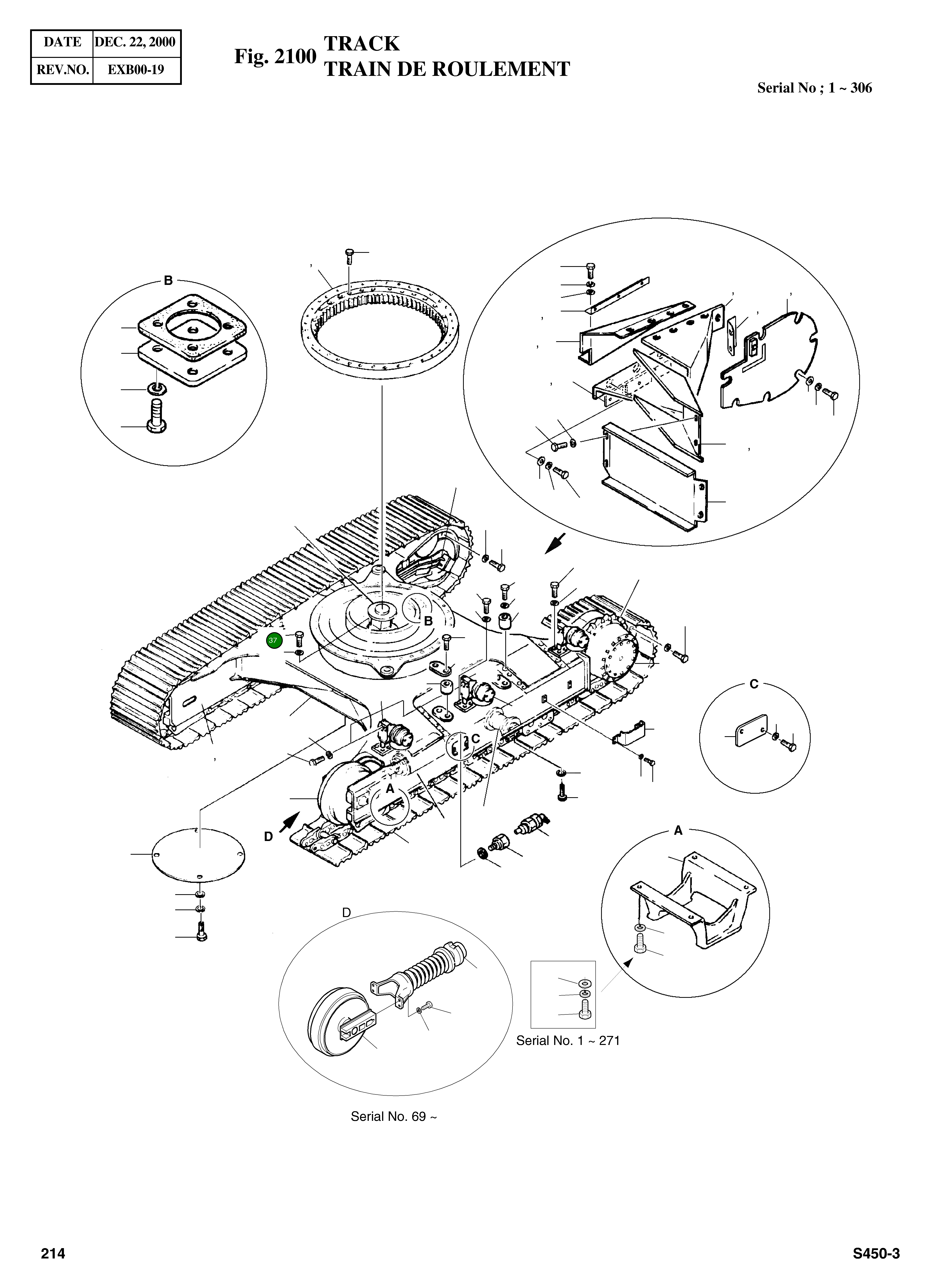
Номер на схеме: 37
Номер на схеме: 37
Состояние
Новый
Применяемость
Бренд техники
Komatsu
Модель техники
SOLAR 450-III, SOLAR 400LC-III, SOLAR 130LC-V - DIEU, SOLAR 400LC-V, SOLAR 330LC-V, SOLAR 290LC-V, SOLAR 220N-V, SOLAR 130W-V, SOLAR 130LC-V
Нет документов
















