Болт M16X2.0X115 S0566761 Komatsu
Болт M16X2.0X115 S0566761 Komatsu
Москва
1
18 декабря 2025

- Описание
- Характеристики
- Файлы и документы
Комплекты крепежа GET включают болты, гайки и крепёжные элементы для монтажа износных деталей. Они обеспечивают прочность соединений и безопасную работу оборудования при тяжелых землеройных задачах.
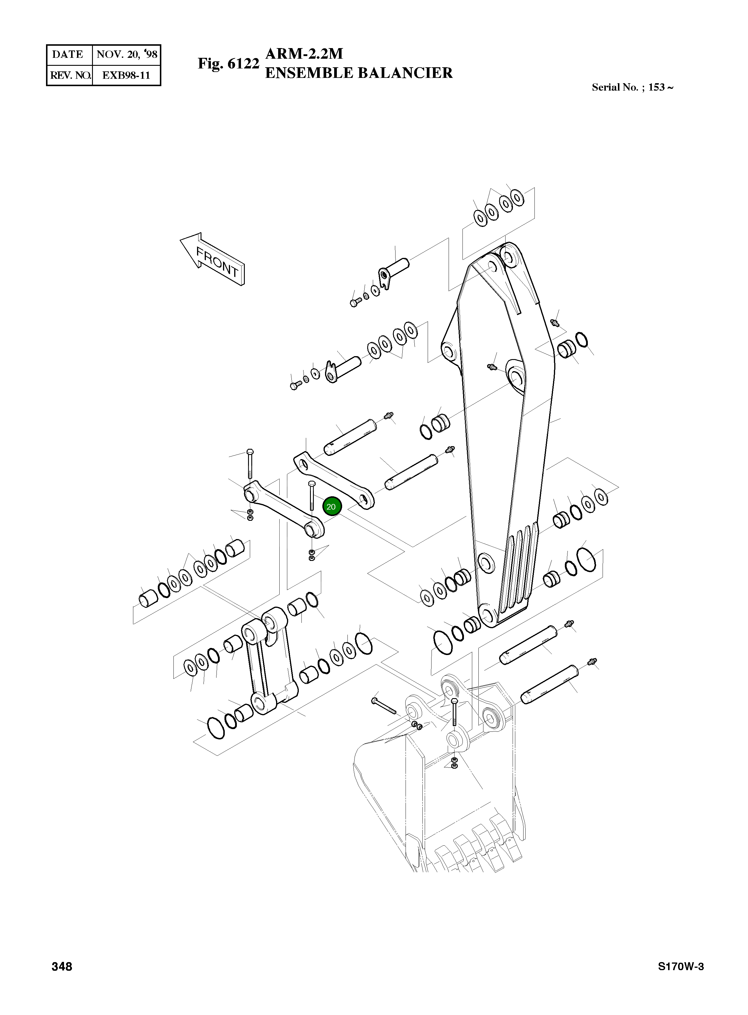
Номер на схеме: 20
Номер на схеме: 20
Состояние
Новый
Применяемость
Бренд техники
Komatsu
Модель техники
SOLAR 170W-III, SOLAR 170LC-V - DIEU, SOLAR 170-III, SOLAR 150LC-V - DIEU, SOLAR 130LC-V - DIEU, SOLAR 290LC-V - DIEU, SOLAR 290LC-V, SOLAR 220LC-V, SOLAR 220LC-6, SOLAR 170W-V, SOLAR 170LC-V, SOLAR 130W-V, SOLAR 130LC-V
Нет документов
















