Болт M16X1.5X35 S0721351 Komatsu
Болт M16X1.5X35 S0721351 Komatsu
Москва
1
18 декабря 2025

- Описание
- Характеристики
- Файлы и документы
Комплекты крепежа GET включают болты, гайки и крепёжные элементы для монтажа износных деталей. Они обеспечивают прочность соединений и безопасную работу оборудования при тяжелых землеройных задачах.
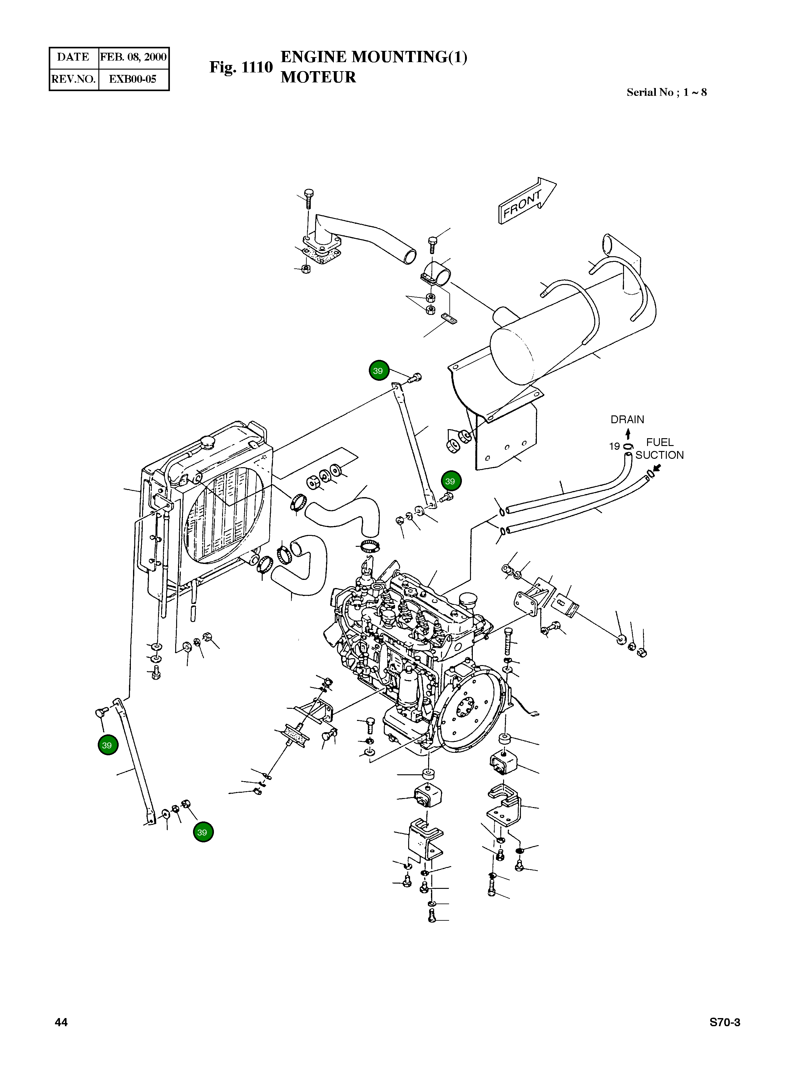
Номер на схеме: 39
Номер на схеме: 39
Состояние
Новый
Применяемость
Бренд техники
Komatsu
Модель техники
SOLAR 70-III, SOLAR 220LC-III, SOLAR 170W-III, SOLAR 170-III, SOLAR 130W-III, SOLAR 130-III, MEGA300, DD80, SOLAR 250LC-V, SOLAR 225NLC-V, SOLAR 220N-V
Нет документов
















