Болт M12X1.75X22 S0514966 Komatsu
Болт M12X1.75X22 S0514966 Komatsu
Москва
1
18 декабря 2025

- Описание
- Характеристики
- Файлы и документы
Комплекты крепежа GET включают болты, гайки и крепёжные элементы для монтажа износных деталей. Они обеспечивают прочность соединений и безопасную работу оборудования при тяжелых землеройных задачах.
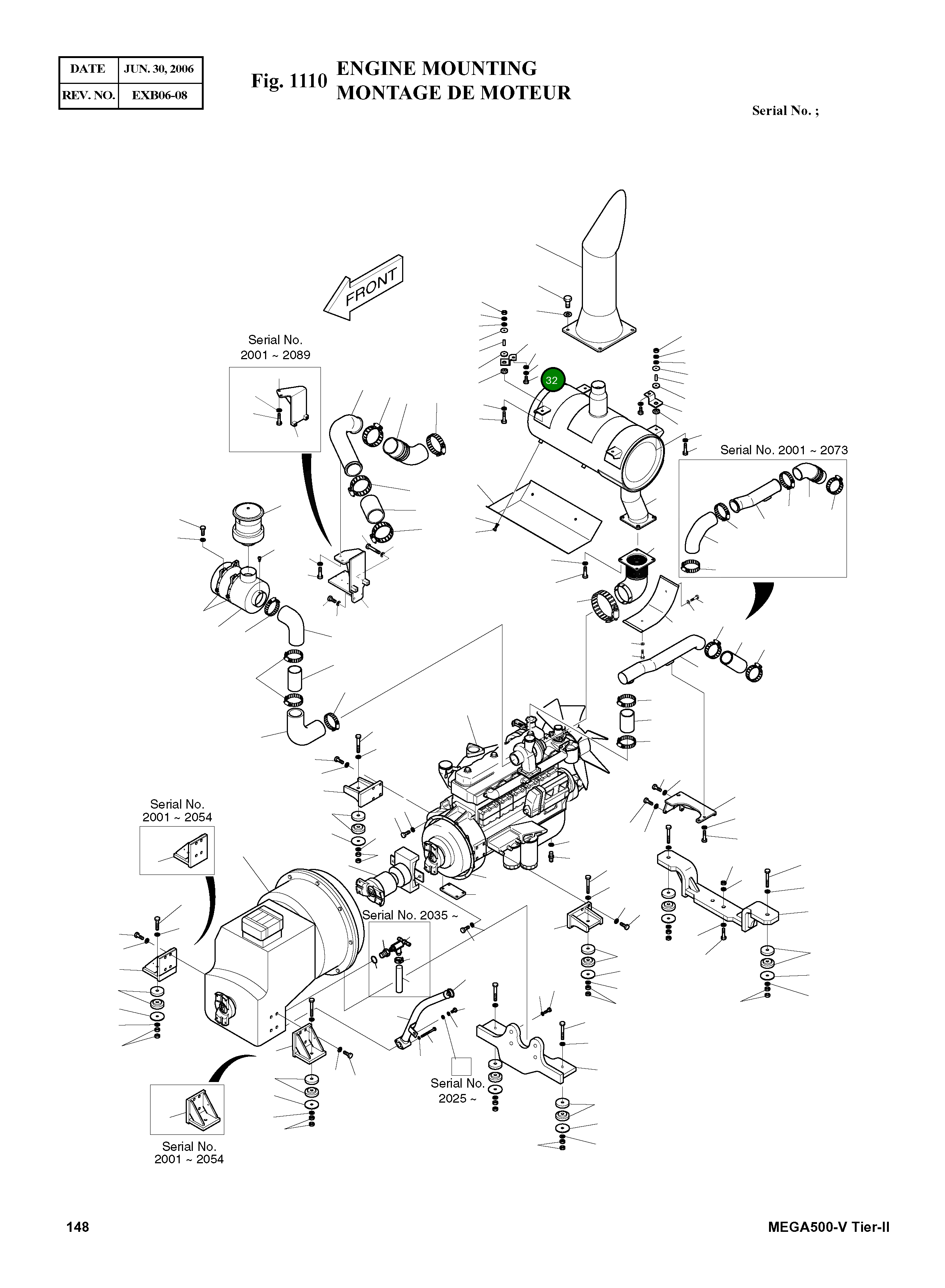
Номер на схеме: 32
Номер на схеме: 32
Состояние
Новый
Применяемость
Бренд техники
Komatsu
Модель техники
MEGA 500-V Tier-II, MEGA 400-V, MEGA 300-V, MEGA 250-V, MEGA 200TC-V, MEGA 200-V, DL500, DL400, DL250, DL200
Нет документов
















