Болт M10X1.5X35 2120-2196D15 Komatsu
Болт M10X1.5X35 2120-2196D15 Komatsu
Москва
1
18 декабря 2025

- Описание
- Характеристики
- Файлы и документы
Комплекты крепежа GET включают болты, гайки и крепёжные элементы для монтажа износных деталей. Они обеспечивают прочность соединений и безопасную работу оборудования при тяжелых землеройных задачах.
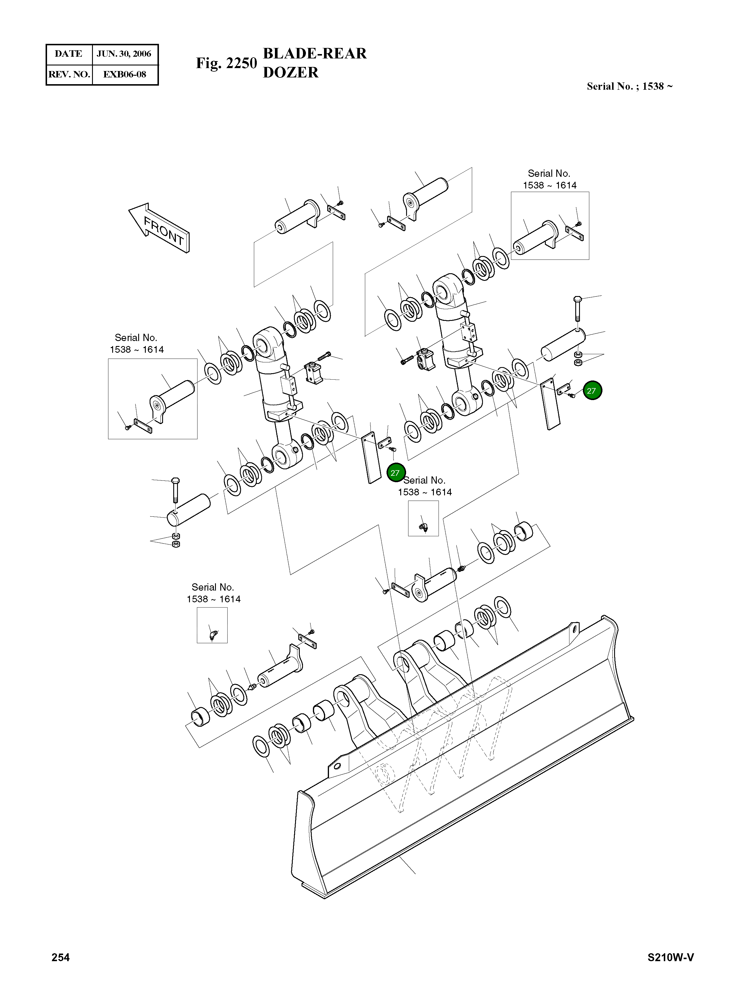
Номер на схеме: 27
Номер на схеме: 27
Состояние
Новый
Применяемость
Бренд техники
Komatsu
Модель техники
SOLAR 210W-V, SOLAR 225LC-V - DIEU, SOLAR 180W-V, SOLAR 175LC-V - DIEU, MEGA 250-V Tier-II, MEGA 250-V, MEGA 200TC-V, MEGA 200-V
Нет документов
















