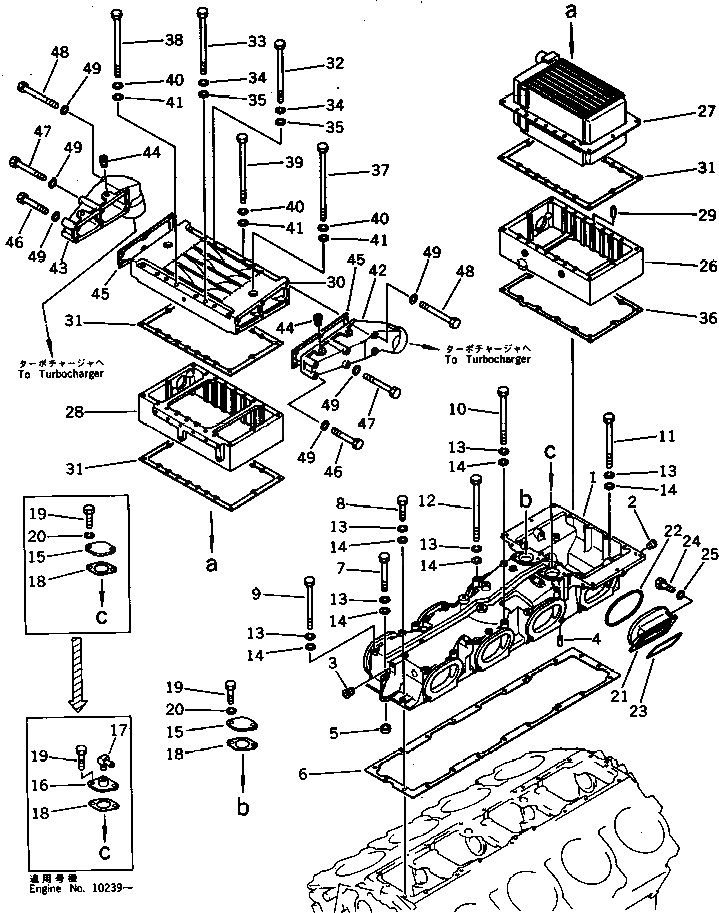
Болт 6164-61-7190 Komatsu
Крепёжные детали включают болты, гайки, шайбы и другие элементы, обеспечивающие прочность соединений. Изготовлены из материалов, устойчивых к коррозии и механическим воздействиям.
Komatsu — один из мировых лидеров в производстве строительной и карьерной техники, известный надежностью и технологичностью своих решений. Оригинальные запчасти Komatsu обеспечивают точное соответствие требованиям оборудования и гарантируют длительный ресурс работы. Комплектующие проходят строгий контроль качества и идеально подходят для восстановления и обслуживания техники в любых условиях эксплуатации.
Komatsu — один из мировых лидеров в производстве строительной и карьерной техники, известный надежностью и технологичностью своих решений. Оригинальные запчасти Komatsu обеспечивают точное соответствие требованиям оборудования и гарантируют длительный ресурс работы. Комплектующие проходят строгий контроль качества и идеально подходят для восстановления и обслуживания техники в любых условиях эксплуатации.




















