Блок-носитель оборудования, в сборе 2181-2416A Komatsu
Блок-носитель оборудования, в сборе 2181-2416A Komatsu
Москва
3

Цена по договоренности
Под заказ 1 шт
Следить за ценой
+7 (925) 605-90-46
Склад - Caterpillar
0.0
0 отзывов
- Описание
- Характеристики
- Совместимость
- Файлы и документы
Сборные узлы рамы и кузова обеспечивают жесткость, прочность и защиту техники. Они включают крупные компоненты, собранные в единую конструкцию для монтажа и эксплуатации. Надежность этих узлов критична для безопасной работы и долговечности оборудования. Используются на строительной, горной и транспортной технике.
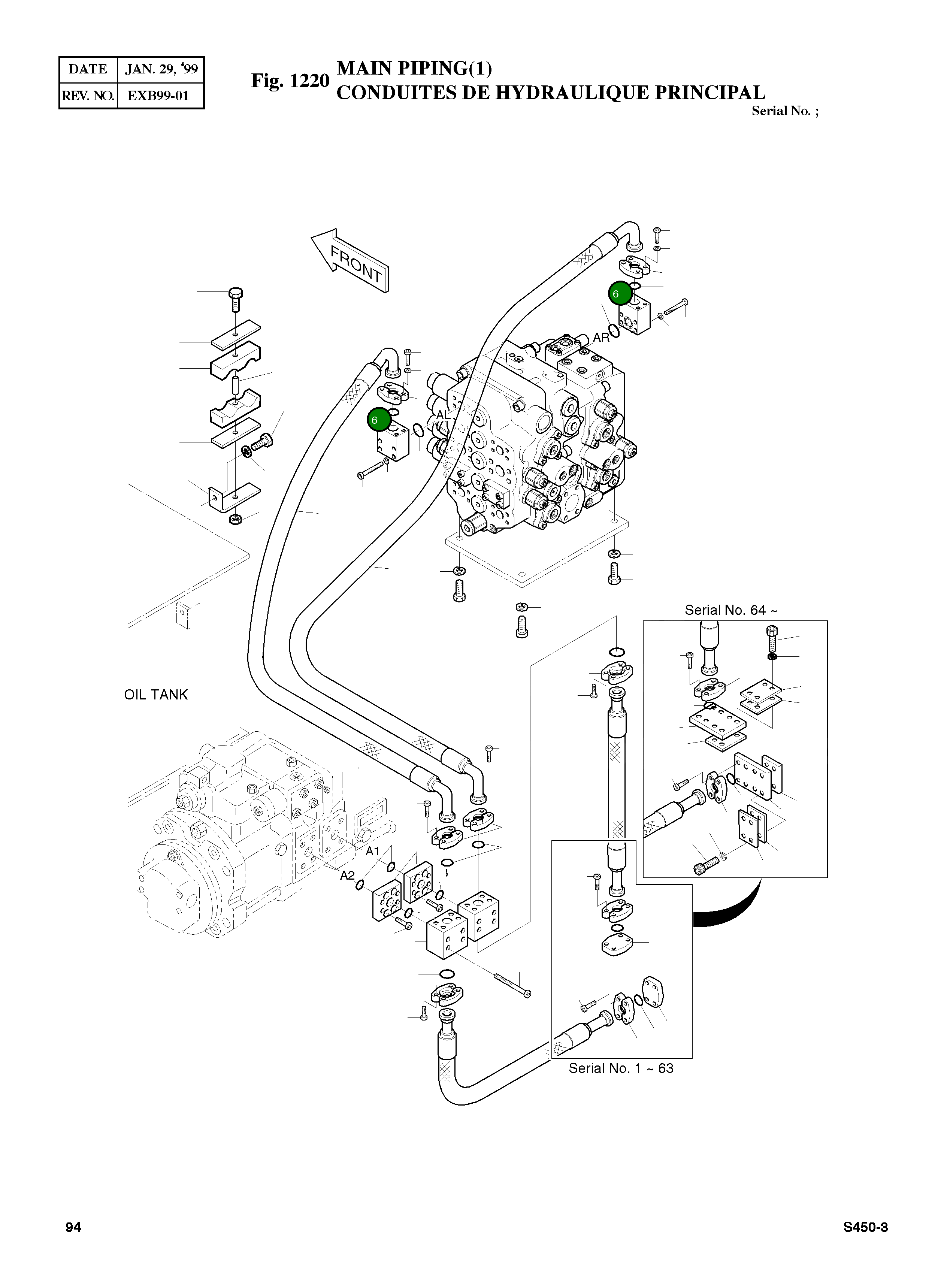
Номер на схеме: 6
Номер на схеме: 6
Состояние
Новый
Общие данные
Номер по каталогу
2181-2416A
Производитель
Komatsu
Совместимые модели
Бренд техники: Doosan
Экскаватор
SOLAR 450-III, SOLAR 400LC-III
Нет документов










