Все города

Адаптер PF3/8-PFO3/8 4181-4272 Komatsu

Москва
1
18 декабря 2025
Адаптер PF3/8-PFO3/8 4181-4272 Komatsu
Цена по договоренности
Под заказ 1 шт
Склад - Caterpillar
0.0
  • Описание
  • Характеристики
  • Файлы и документы
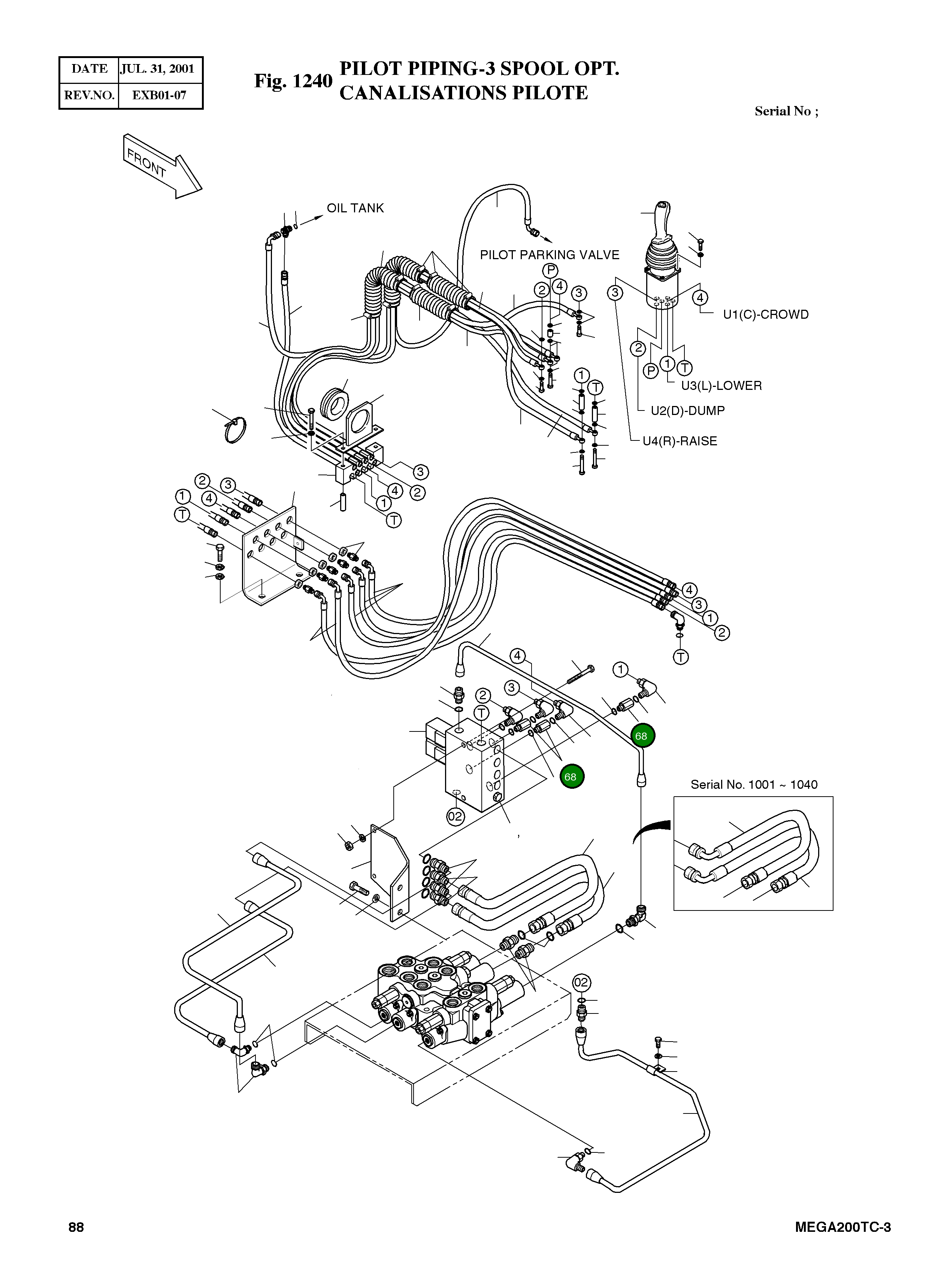
Переходники применяются для соединения различных элементов гидравлических и механических систем. Они обеспечивают герметичность, надежность и совместимость оборудования.

Номер на схеме: 68

Состояние

Новый

Применяемость

Бренд техники

Komatsu

Модель техники

MEGA 200TC-III, MEGA 200-III

Нет документов