Все города

Адаптер 2181-1126D70 Komatsu

Москва
1
18 декабря 2025
Адаптер 2181-1126D70 Komatsu
Цена по договоренности
Под заказ 1 шт
Склад - Caterpillar
0.0
  • Описание
  • Характеристики
  • Файлы и документы
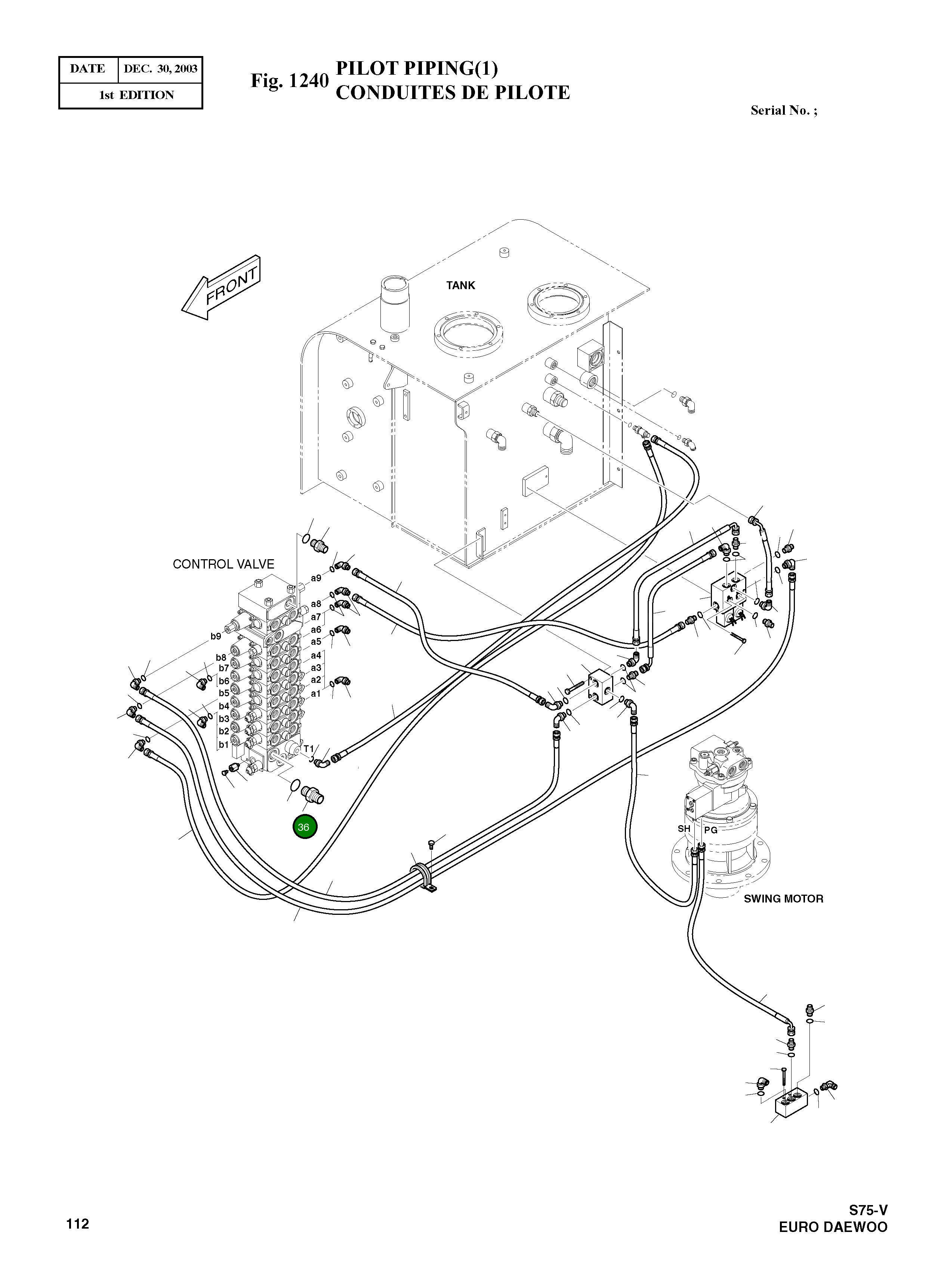
Переходники применяются для соединения различных элементов гидравлических и механических систем. Они обеспечивают герметичность, надежность и совместимость оборудования.

Номер на схеме: 36

Состояние

Новый

Применяемость

Бренд техники

Komatsu

Модель техники

SOLAR 75-V - DIEU, SOLAR 75-V

Нет документов