Адаптер 2180-2525 Komatsu

Москва
2
Адаптер 2180-2525 Komatsu
Цена по договоренности
Под заказ 1 шт
+7 (925) 605-90-46
Склад - Caterpillar
0.0
  • Описание
  • Характеристики
  • Совместимость
  • Файлы и документы
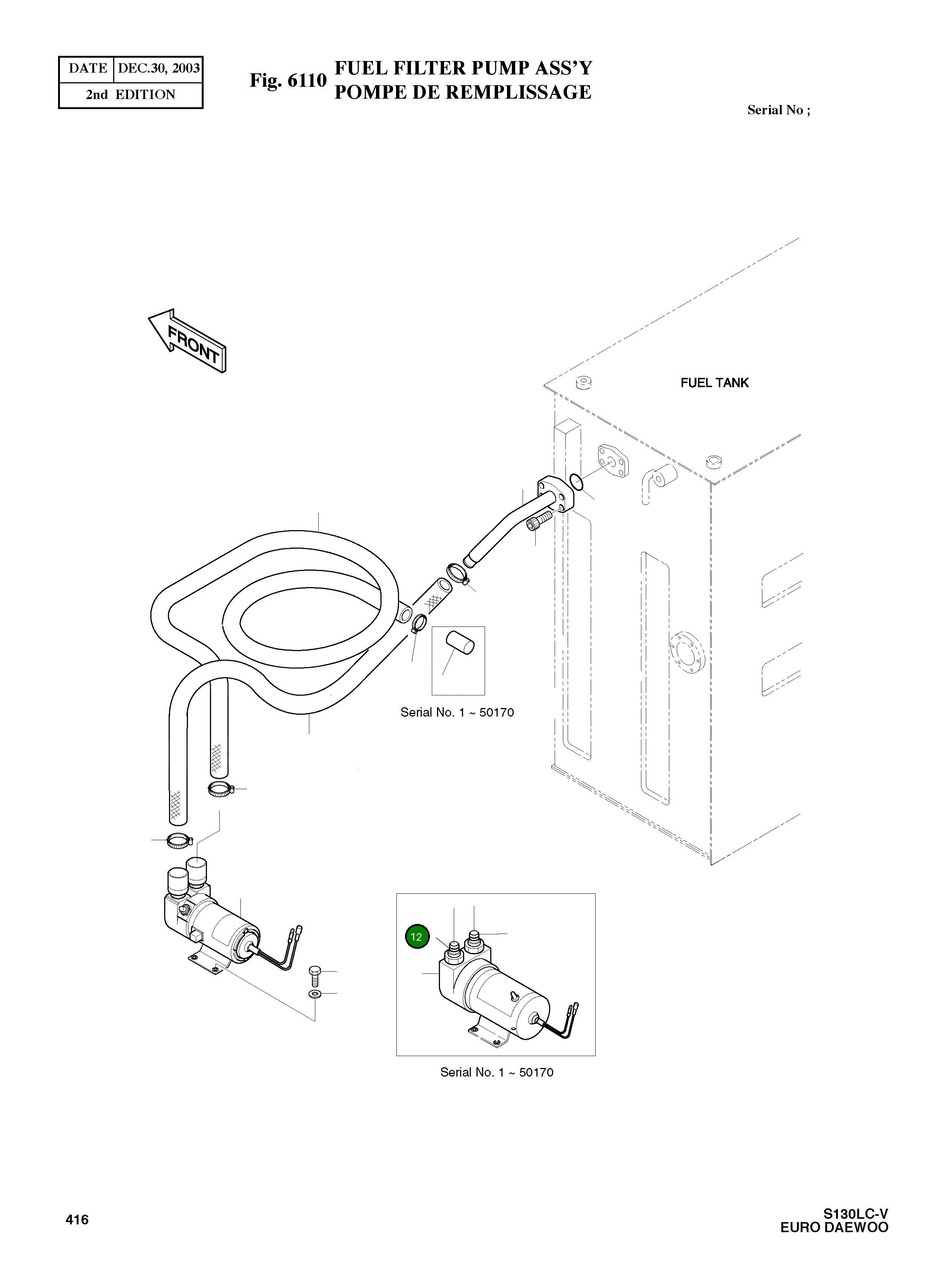
Переходники применяются для соединения различных элементов гидравлических и механических систем. Они обеспечивают герметичность, надежность и совместимость оборудования.

Номер на схеме: 12

Состояние

Новый

Общие данные

Номер по каталогу

2180-2525

Производитель

Komatsu
Совместимые модели
Бренд техники: Doosan
Экскаватор
SOLAR 130LC-V - DIEU

Нет документов