Турбокомпрессоры повышают мощность двигателя за счет увеличения подачи воздуха в цилиндры. Cat Reman предлагает восстановленные турбокомпрессоры с гарантированным ресурсом и качеством. Они способствуют экономии топлива и увеличению производительности двигателя. Восстановленные турбокомпрессоры проходят тестирование и соответствуют стандартам OEM.
Caterpillar — мировой лидер в области тяжелой техники. Использование качественных запасных частей позволяет сохранить высокую производительность машины и обеспечивает стабильную работу при любых условиях. Компоненты, разработанные с учетом требований техники CAT, обеспечивают надежное функционирование ключевых узлов и механизмов. Они помогают снизить износ, продлить срок службы оборудования и минимизировать риск незапланированных простоев.
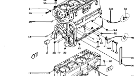
Технические характеристики:
Высота (мм):378,5
Длина (мм):348
Ширина (мм):327,7
Caterpillar — мировой лидер в области тяжелой техники. Использование качественных запасных частей позволяет сохранить высокую производительность машины и обеспечивает стабильную работу при любых условиях. Компоненты, разработанные с учетом требований техники CAT, обеспечивают надежное функционирование ключевых узлов и механизмов. Они помогают снизить износ, продлить срок службы оборудования и минимизировать риск незапланированных простоев.
Технические характеристики:
Высота (мм):378,5
Длина (мм):348
Ширина (мм):327,7






